EasyManua.ls Logo

Sharp SJ-55G-BE - Electric Accessories Layout

Sharp SJ-55G-BE
36 pages
Print Icon
To Next Page IconTo Next Page
To Next Page IconTo Next Page
To Previous Page IconTo Previous Page
To Previous Page IconTo Previous Page
Loading...
10
SJ-48G/D48G
SJ-51G/D51G
SJ-55G/D55G
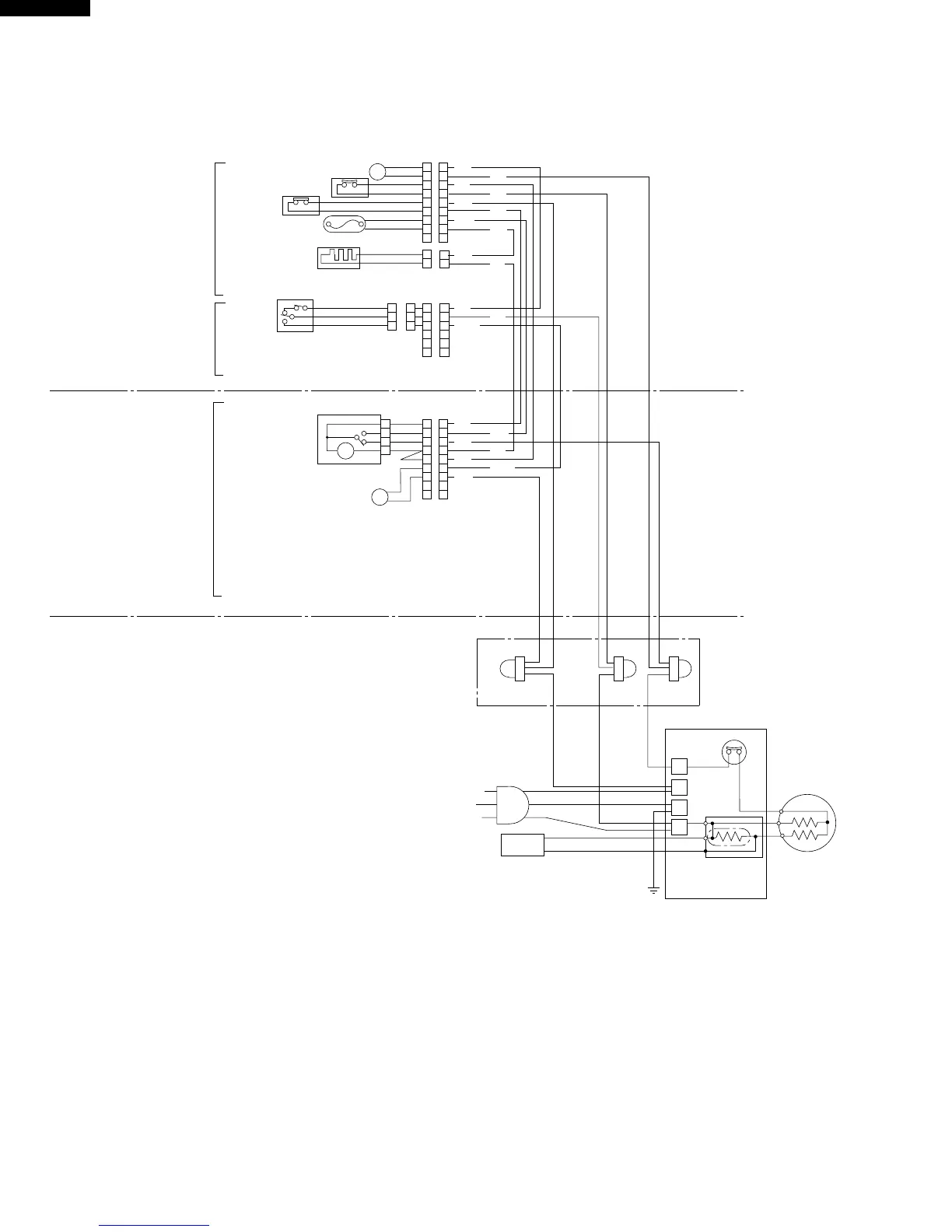
Figure W-3. Electric Accessories Layout(3 pin plug region)
Fan motor
C1(LR-09-1V)
Defrost thermo.
F-thermostat
Thermo fuse
Defrost heater
Door switch
FREEZER
REFRIGERATOR
(RC-box ass'y)
(C-part. ass'y)
(E.V cov. ass'y)
MACHINE ROOM
Defrost timer
Lamp
C2(ELR-02V)
C3(ELR-06V)
C4(LR-09-1V)
3(Push close)
4(Push open)
(O)
Terminal box
Source plug
Running capacitor
(G-Y)
Overload
relay
Terminal cover
Starting relay
Compressor
CE-2
(Br)
CE-2
(B)
CE-2
(G)
G
Br
O
Y
R
P
B
Bk
S-B
G-Y
: GRAY
: BROWN
: ORANGE
: YELLOW
: RED
: PINK
: BLUE
: BLACK
: SKY-BLUE
: GREEN-YELLOW
1
2
3
4
5
6
7
8
9
1
2
3
4
5
6
7
8
9
1
2
3
4
5
6
1
2
3
4
5
6
1
2
3
1
2
1
2
1
2
3
4
5
6
7
8
9
1
2
3
4
5
6
7
8
9
FM
3
1
4
1
L
3
2
4
1
TM
C
M
A
1
L
N
E
(G)
(P)
(B)
(Br)
(R)
(Bk)
(W)
(W)
(Y)
(O)
(B)
(S-B)
(R)
(Bk)
(G)
(Y)
(S-B)
(P)
(Br)

Related product manuals