EasyManua.ls Logo

Sharp SJ-P68M-GL - Assembling Procedures of Main Parts and Cautions

Sharp SJ-P68M-GL
40 pages
Print Icon
To Next Page IconTo Next Page
To Next Page IconTo Next Page
To Previous Page IconTo Previous Page
To Previous Page IconTo Previous Page
Loading...
15
SJ-P58M
SJ-P63M
SJ-P68M
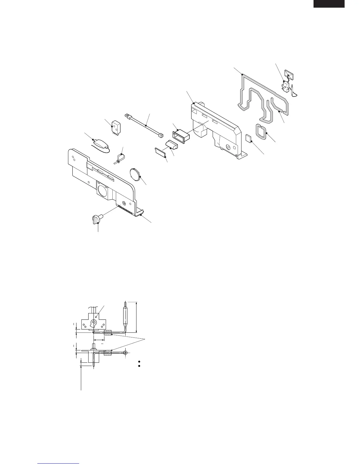
ASSEMBLING PROCEDURES OF MAIN PARTS AND CAUTIONS
CAUTION: DISCONNECT THE UNIT FROM THE POWER SUPPLY BEFORE ANY REPAIRING.
1. R-CONTROL COV. ASSEMBLY
R-temp. control knob
Nylon band
Fan cover
R-C box cover
RA sealer B
RA sealer C
Dial sealer
Ionizer-K
R air guider A
RA sealer A
Damper thermo.
Plasma holder
Defrost timer
R fan thermo. ass'y
Holder cover
Plasma harness
Figure A-1
Figure A-2
(1) Forming sensor of Damper thermo.
Stick thermo.
cap. sealer
Less than 130 mm
Damper
thermostat
3
1
mm
5
1
mm
Less than 12 mm
25
2
mm
NOTE
Minimum bending radius is R5mm.
There should be no gas leak by reforming of sensor tube.
+
++
After forming, fix it to the refrigerator.

Related product manuals