EasyManua.ls Logo

Sharp SJ-WS320TS - Page 11

Sharp SJ-WS320TS
54 pages
Print Icon
To Next Page IconTo Next Page
To Next Page IconTo Next Page
To Previous Page IconTo Previous Page
To Previous Page IconTo Previous Page
Loading...
SJ-WS320T-S
11
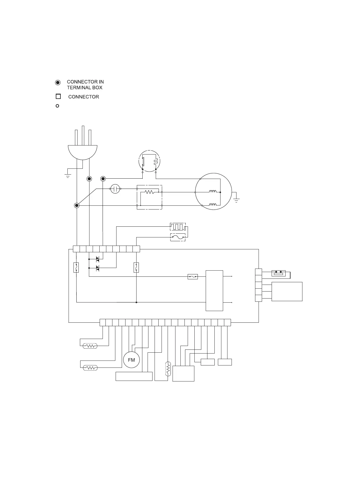
2) SJ-WP320T/RM320T/WM322T
Fuse1
Fuse3
Fuse2
AC/DC
MAIN
PWB
Fuse
Defrost Heater
Running
capacitor
Defrost-thermistor
F-thermistor
Damper
Plasmacluster
R-thermistor
Plug / Cord
1 2 3 4 5 6 7 8 9 10 11 1213 14 15 16 1718 19 20
5 4 3 2 1
R-reed SW
Display PWB
ass’y
LED
LED
Light
1 2 3 4 5 6 7 8 9 10
Compressor
PTC starter
Br
Protector
Bl
Gy
TERMINAL
( )

Related product manuals