EasyManua.ls Logo

Sharp SV-4328 - Page 15

Sharp SV-4328
158 pages
Print Icon
To Next Page IconTo Next Page
To Next Page IconTo Next Page
To Previous Page IconTo Previous Page
To Previous Page IconTo Previous Page
Loading...
15
PRECISION MACHINE TOOLS Ver 2 Maintenance Manual
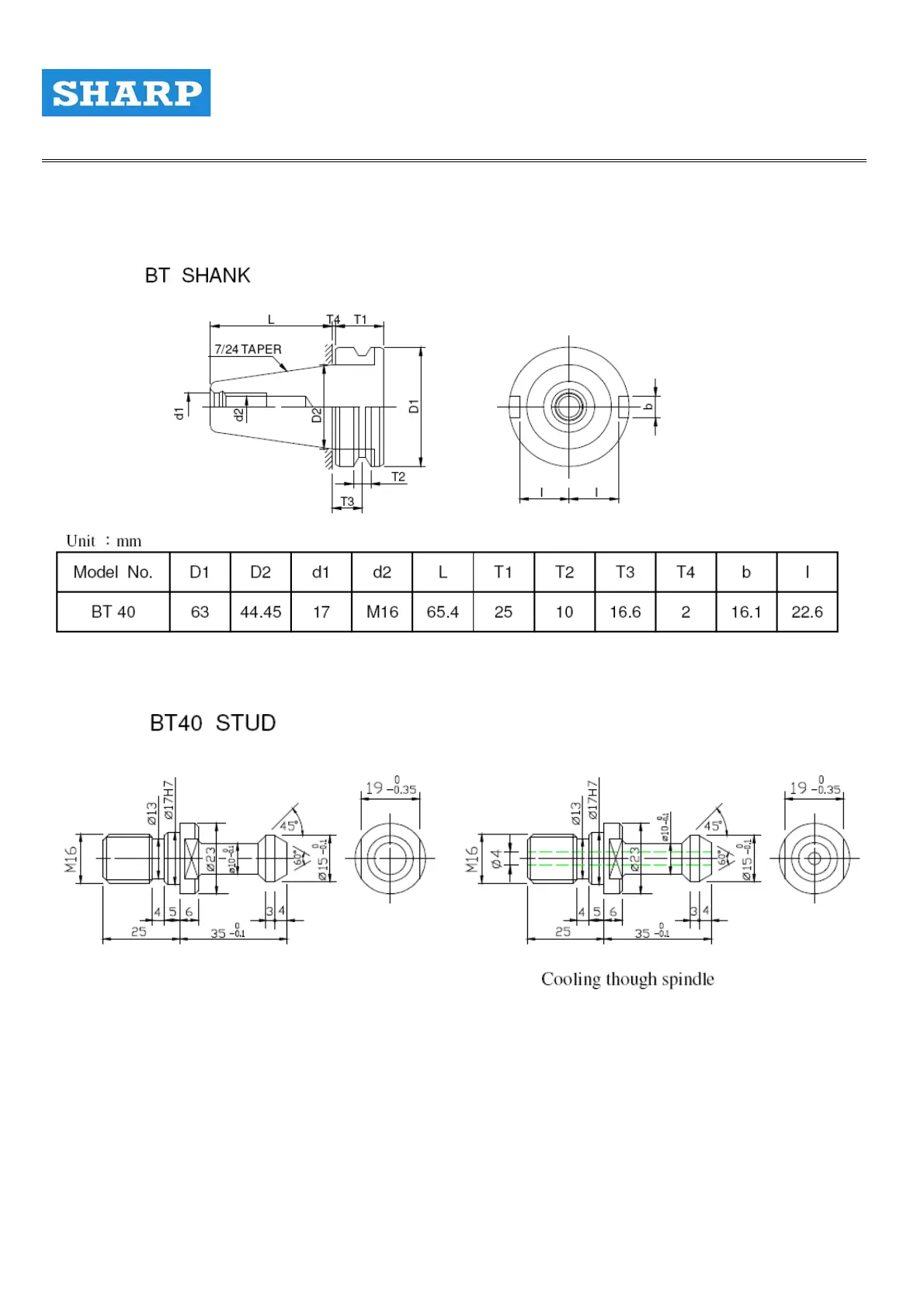
2-2 Tool Shank and Broach Bolts