EasyManua.ls Logo

Sharp SV-4328 - Page 36

Sharp SV-4328
158 pages
Print Icon
To Next Page IconTo Next Page
To Next Page IconTo Next Page
To Previous Page IconTo Previous Page
To Previous Page IconTo Previous Page
Loading...
36
PRECISION MACHINE TOOLS Ver 2 Maintenance Manual
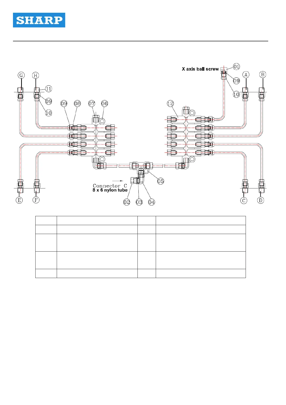
WORK TABLE UNIT
Item Name Item Name
H Left front guide way surface A Right front guide way surface
G
Left front reference surface
and pressure plate
B
Right front reference surface
and pressure plate
E
Left rear reference surface
and pressure plate
C
Right front reference surface
and pressure plate
F Left rear guide way surface D Right rear guide way surface