EasyManua.ls Logo

Sharp VC-A50S - Page 46

Sharp VC-A50S
84 pages
Print Icon
To Next Page IconTo Next Page
To Next Page IconTo Next Page
To Previous Page IconTo Previous Page
To Previous Page IconTo Previous Page
Loading...
46
VC-A10/A10S/A500
VC-A50/A50S/A50SB
VC-A60/A75/A80S
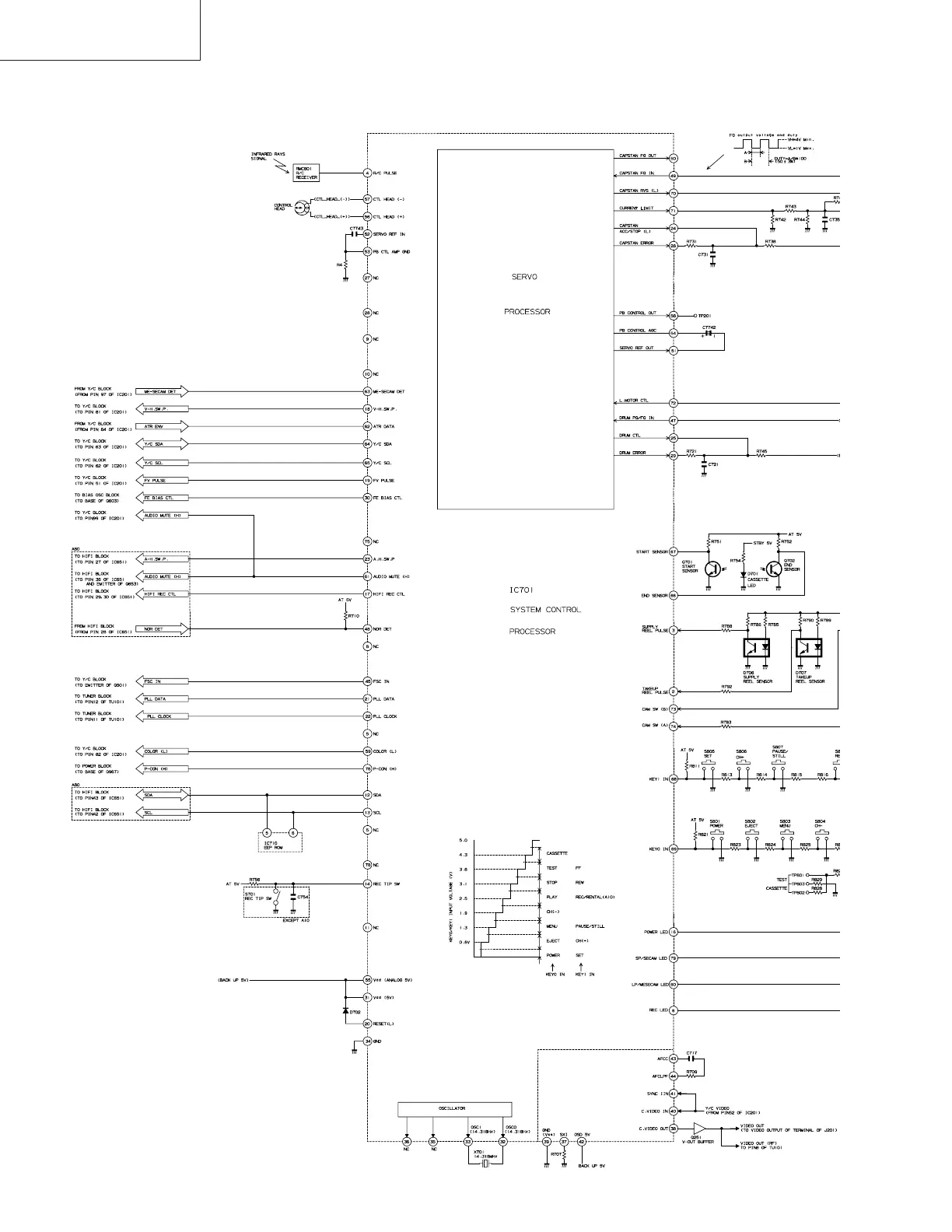
SYSTEM SERVO BLOCK DIAGRAM

Related product manuals