EasyManua.ls Logo

Sharp VC-A50S - Page 60

Sharp VC-A50S
84 pages
Print Icon
To Next Page IconTo Next Page
To Next Page IconTo Next Page
To Previous Page IconTo Previous Page
To Previous Page IconTo Previous Page
Loading...
60
1 2 3 4 5 6 7 8 9 10
A
B
C
D
E
F
G
H
I
J
VC-A10/A10S/A500
VC-A50/A50S/A50SB
VC-A60/A75/A80S
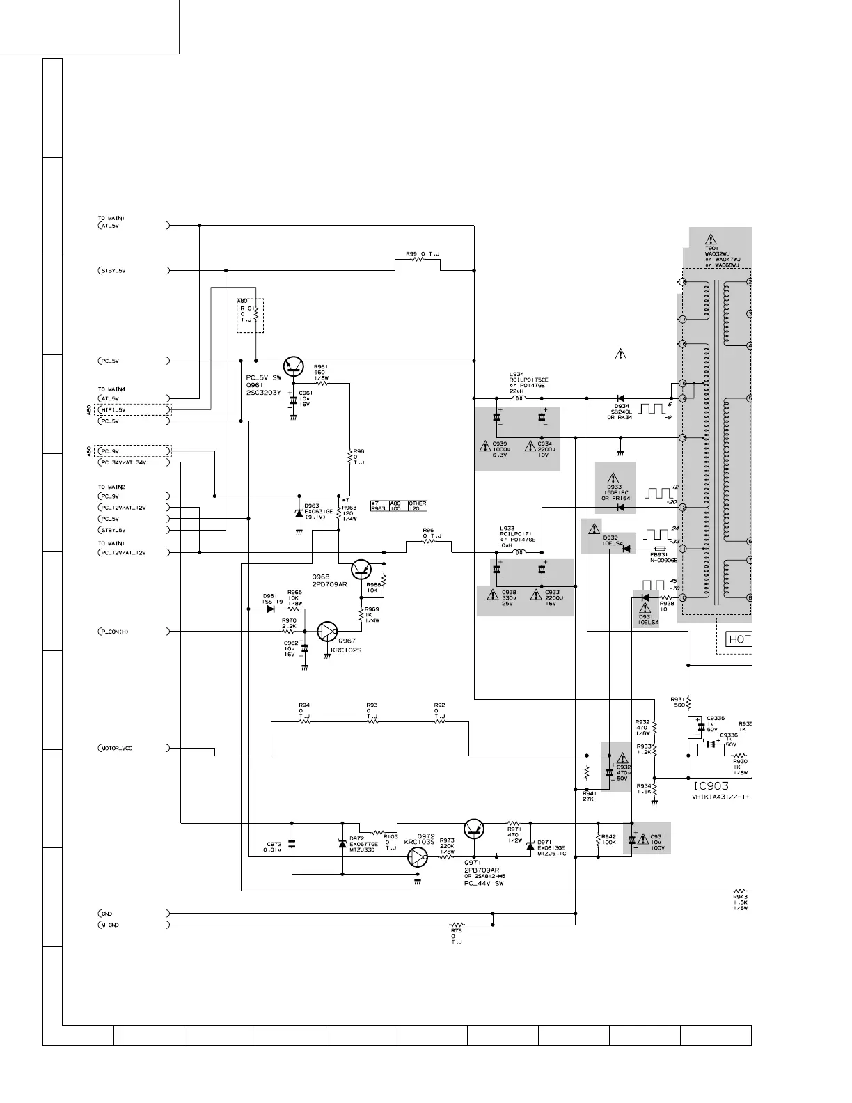
MAIN CIRCUIT(3)
* VOLTAGE MEASUREMENT MODE
PB ......Parentheses ( )
REC ...Without Parentheses

Related product manuals