EasyManua.ls Logo

Sharp VC-GH61SM - Page 59

Sharp VC-GH61SM
91 pages
Print Icon
To Next Page IconTo Next Page
To Next Page IconTo Next Page
To Previous Page IconTo Previous Page
To Previous Page IconTo Previous Page
Loading...
115114
VC-GH61GM/SM,GH611GM
VC-GH60SM,GH600SM,GH601SM
VC-FH310GM/SM
VC-GH61GM/SM,GH611GM
VC-GH60SM,GH600SM,GH601SM
VC-FH310GM/SM
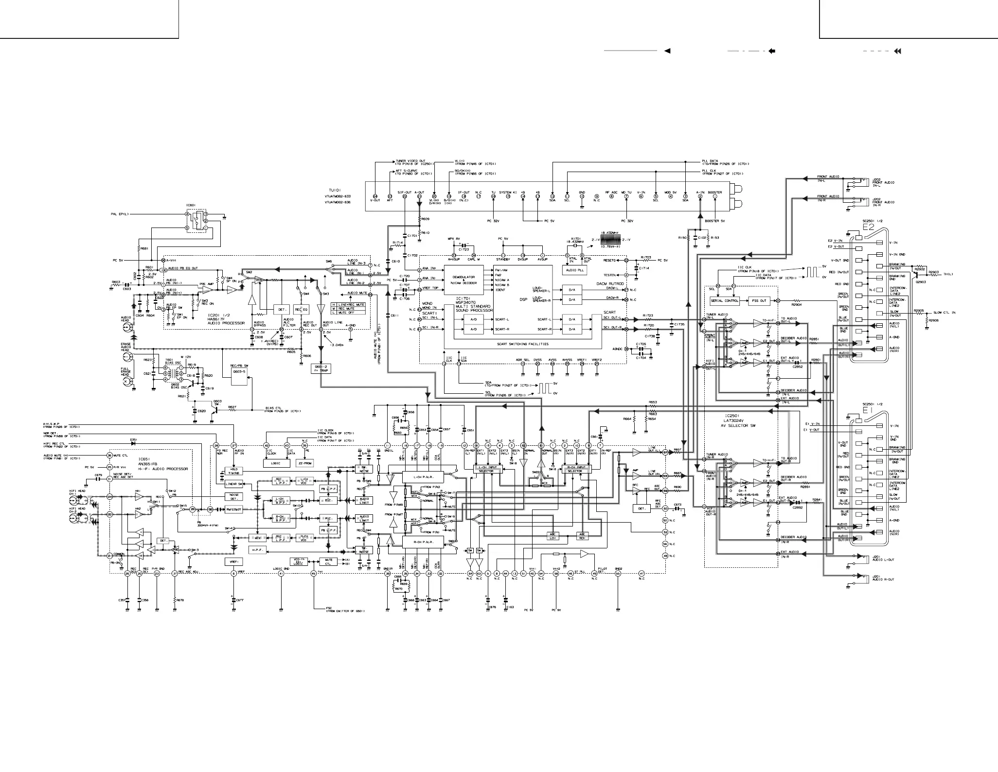
EE Signal  PB Signal  REC Signal
E-E Signal Wiedergabe signal Aufnahme sihnal
AUDIO BLOCK DIAGRAM / AUDIO-SCHALTKREIS-BLOCKSCHALTBILD

Related product manuals