EasyManua.ls Logo

Sharp XL-35 - Page 17

Sharp XL-35
56 pages
Print Icon
To Next Page IconTo Next Page
To Next Page IconTo Next Page
To Previous Page IconTo Previous Page
To Previous Page IconTo Previous Page
Loading...
– 17 –
XL-35/35C
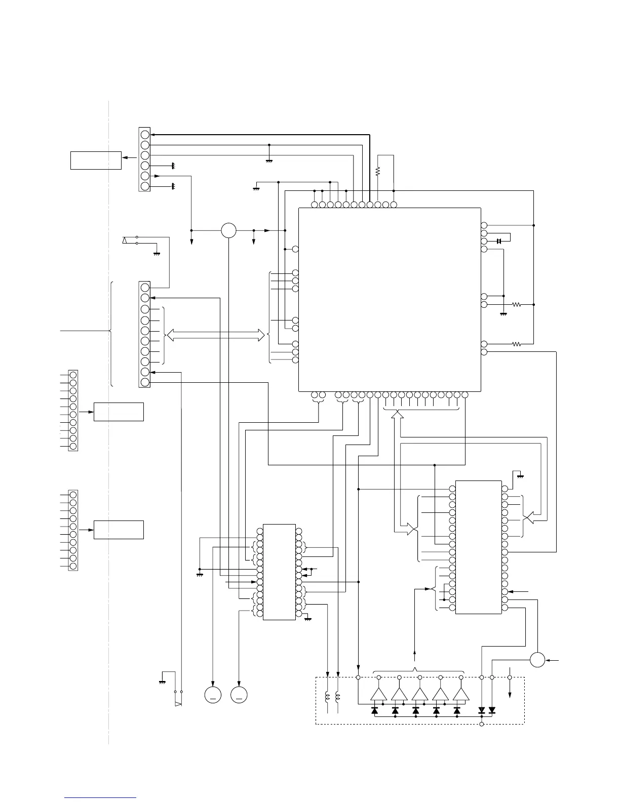
Figure 17 BLOCK DIAGRAM (4/4)
CNP702
CNS605
CNP605
CLID SW
GVSW
PICK_IN
BLKCK
MDATA
MCLK
MLD
MRST
CD STB
STAT
NM801
SLED
MOTOR
NM802
SPINDLE
MOTOR
M
M
TRACKING COIL
FOCUS COIL
PICKUP UNIT
VCC
GND
MON
LD
1/2V
+5V
+5V
+5V
+5V
+5V
+5V
TO MAIN SECTION
TO MAIN SECTION
TO MAIN SECTION
CD_R
CD_L
D_GND
D_GND
D_GND
D_GND
A_GND
CD_6.2V
CD_6.2V
+6.2V
+6.2V
M_GND
M_GND
M_GND
M_GND
6
5
4
3
3
2
5
6
4
1
2
1
7
8
9
10
Q801
Q804
LASER
DRIVER
CONSTANT
VOLTAGE
SW800
PICKUP IN
M_GND
SW801
CD LID
OPEN/CLOSE
80
79
78
77
76
75
74
73
72
71
70
40
39
38
37
36
35
34
33
32
31
30
29
28
27
26
25
24
22
21
44 45 50 51 57 58 59 60
13
9 8 7 4
18 17 16 14
SSEL
MSEL
PSEL
CSEL
RSEL
OUTR
AVSS1
OUTL
AVDD1
/TEST
IOSEL
VDD
X2
X1
VSS
AVSS2
AVDD2
IREF
ARF
TBAL
LD
BDO
/RFDET
TRCRS
OFT
VDET
RFENV
TE
FE
FBAL
VREF
FOO
TRO
KICK
ECS
ECM
TVD
TVR
/RST
STAT
DMUTE
SQCK
BLKCK
MLD
MDATA
MCLK
DVDD1
32
31
30
29
28
27
26
25
24
23
1
2
3
4
5
6
7
8
9
10
16
15
14
13
12
11
22
21
20
19
18
17
1
2
3
4
5
6
7
8
9
10
11
12
13
14
15
17
16
18
19
20
21
22
23
24
25
26
27
28
PO1–
PO1+
VO3–
VO3+
VIN3
VG3
VCC
VCC
BIAS
VG4
VIN4
VO4+
VO4–
OPO
VO2–
VO2+
VIN2
VG2
GND
GND
GND
MUTE
REG O
TRB
VG1
VIN1
VO1+
VO1–
VREF
VDET
TEBPF
TEOUT
TEN
FEN
FEOUT
GCTL
FBAL
TBAL
E
E
F
F
D
B
B
C
C
A
A
GND
NRFDET
OFTR
CBDO
CDFTR
BDO
3TOUT
CEA
ARF
CACC
RFIN
RFOUT
RFN
VCC
LD
PD
10
9
8
7
6
5
4
3
2
1
D
O
O
C
L
E
D
I
B
T
E
T
B
R
10
9
8
7
6
5
4
3
2
1
MN6627482W
SERVO/SIGNAL CONTROL
AN22000A
HEAD AMP.
MM1469XH
FOCUS/TRACKING/
SPIN/SLED DRIVER
16.93MHz
IC801
IC802
IC804
X803
CNS704
CNP704
CNP703
CNS703

Related product manuals