EasyManua.ls Logo

Sharp XL-505H - Page 22

Sharp XL-505H
56 pages
Print Icon
To Next Page IconTo Next Page
To Next Page IconTo Next Page
To Previous Page IconTo Previous Page
To Previous Page IconTo Previous Page
Loading...
XL-505H,505E,507E/CP-505,505E,507
– 22 –
A
B
C
D
E
F
G
H
1
23456
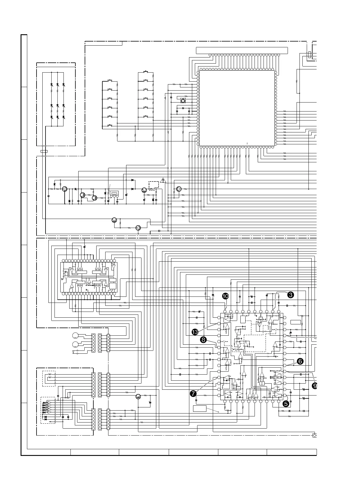
• NOTES ON SCHEMATIC DIAGRAM can be found on page 27.
Figure 22 SCHEMATIC DIAGRAM (3/4)
R823
100K
57
56
21
55
54
53
52
51
50
49
48
47
46
45
44
43
42
414049
48
473635
3433
32
3130
29
28
27
26
25
24
23
22
100
99
98
97
96
95 94
93
92
91
90 89
88
87
86
85
84 83
82
81
80 79 78
77
76
75
74
73
72
71
70
69
68
67
66
65
64
63
62
61
60
59
58
20
19
18
17
16
15
14
13
12
11
10
9
8
7
6
5
4
3
2
1
24
23
22
21
20
19
18
17
16
15
14
1312
11
10
98
7
6
5
4321
36
35
34
3332
31
3029
28
27
26
25
24
2322
21
20
19
18
17
16 15
14 13 12
11
10
9
8
7
6
5
4321
25
26
27
28
29
30
31
32
33
34
35
36
37
38
16
1718
19
20
21
22
2324
15
39 40
41
42
43
44
45
46
47
48
1
2
3
5
6
7
8
9
10
11
12
13
14
4
M
M
23
7
6
5
1
2
3
4
7
7
6
6
5
5
3
3
2
2
1
1
4
4
+B
+B
+B
+B
+B
+B+B
+B
+B
+B
+B
1
+B
+B
+B
+B
+B
+B
+B
+B
+B
+B
+B
+B
+B
+B
+B
+B
+B
3
2
+B
8
7
6
5
4
3
2
1
6
5
4
3
2
1
6
5
4
3
2
1
6
5
4
3
2
1
8
7
6
5
4
3
2
1
8
7
6
5
4
3
2
1
(ML)
(ML)
(ML)
(ML)
(ML)
(ML)
(ML)
SERVO AMP.
FOCUS/TRACKING/
SPIN/SLIDE DRIVER
IC804:
SYSTEM MICROCOMPUTER
THLD
TS2O
FSO
FSN
LDO
PD PD
LDO
A
B
F
E
VCC
GAIN4
T.S.D
-BY
STAND
Reg5V
VCC
NC
GND
GAIN1
NC
GND
2
1
2
1
DISPLAY PWB-A3
SEG0
SEG1
SEG2
SEG3
SEG4
SEG5
SEG6
SEG7
SEG8
SEG9
SEG10
SEG11
SEG12
SEG13
SEG14
SEG15
SEG16
SEG17
SEG18
SEG19
SEG20
SEG21
SEG22
SEG23
SEG24
CD STB
SEG27
SEG28
SEG29
SEG30
N.C
SEG31
N.C
N.C
N.C
SRS1
SRS2
BUS3
BUS2
BUS1
BUS0
PU-IN
LID-SW
BIAS
B-CAN
REC
MOT
SOL
F.P
VREF+
CAM SW
RUN PLS
VSM
POWER
KEY2
KEY1
AREA
VREF
MMOD
XO
XI
VSS
OSC1
OSC2
VDD
VLC1
VLC2
VLC3
COM0
COM1
SD
R-MUTE
REMOCON
CLE
BUCK
CEE
CD RES
DATA
ID
STEREO
SYS STOP
FUNC
CD+B
P-CONT
P-MUTE
N.C
RESET
CE
VCL
VCE
VDI
CL
DO
LCD
(CH)
(CH)
CD PAUSE/
PLAY/
TUNING UP
VOL DOWN
VOL UP
X-BASS/
EQUALIZER
FUNCTION
ON/
REC
/PAUSE
MEMORY
/SET
PRESET
PRESET
STOP
/CLEAR
LED PWB-A4
21
21
32
1
11.2V
3
2
1
+5V
1/2V
E
A
B
F
C
TR–
TR+
FO+
FO–
GND
PD
VR
LD
ACTUATOR
TR–
FO–
FO+
TR+
1/2VCC
C
F
B
A
E
GND
MON
LD
VCC
C3A
C2A
VR1A
C4A
SP+
SP-
SL+
SL–
PU-IN
GND
SPINDLE
SLED
PU-IN
+
+
BALANCE
TRACKING
ERROR
TSO
FEN
FOCUS
OFFSET
5V
0.6V
4.8V
6.3V
5.7V
0V
3.2V
0V
10V
10.7V
10.8V
3
2
1
1.1V
0.34V
0.35V
4.9V
4.9V
0V
UP
DOWN
STAND-BY
BAND
FO+
FO–
SP–
SP+
SL–
SL+
TR+
TR–
+
+
++
+
+
+
+
+
+
+
+
+
+
+
+
DFCT
FMSO
FMSM
FMSP
TS2N
TS1N
TS2P
TS1P
TSO
TEL1
TEL2
TSN
TPO
TPI
TNI
TNO
FNI
FPI
LDO
MDI
RFN
RFT
CD STB
DMEO
TS2O
FMSO
P CONT
µ-CON+5V
µ-COM VDD
RESET
REMOCON
SYS STOP
TR-
TR+
FO+
FO-
GND
PD
VR
LD
GND
PU-IN
SL–
SL+
SP-
SP+
FSO
GND
VCC
SEL
DMEO
DMEN
DMEP
OSCI
COSC
FHLD
FEL1
FEL2
FEI
SBAD
FEO
FEP
DFIN
RFRP
2VRO
VRO
RFI
RFO
DI
COM2
COM3
SEG25
SEG26
µ-CON+5V
LED+B
M 12V
GND
R820
33K
R819
4.7K
R818
18
R80B
82K
R80C
82K
R80G
82K
R80E
82K
R80F
82K
R80A
82K
FW702
IC701
IX0189AW
LCD701
X702
R702A
120
R703A
120
R704A
120
LED710
204GDTR4
LED707
204GDTR4
LED704
204GDTR4
RX701
CNS802
BI802
CNS801
BI801 BI803
C813
0.0022
R70K
120
R70G
1K
D721
1SS133
C712
0.01
R70E
100K
R873
4.7K
R826
220K
C823
10/16
CNP803
CNS803
FW701
C812
10/16
R761 1K
R767 1K
R766 1K
R776 1K
R825
470K
R837
2.7K
R803
22K
C808
0.33
R734
47K
Q705
KRA102 M
R759 1K
VR803
100K(B)
R822
330
C825
0.039
R838
12K
C834
0.056
C830
47P
R829
470
R704B
120
LED712
204GDTR4
LED711
204GDTR4
R709
1K
Q707
KTA1266 GR
R703B
120
R702B
120
R781 1K
R757 1K
R760 1K
R765 1K
R770 1K
R771 1K
R772 1K
R773 1K
R774 1K
R775 1K
R777 10K
R778 1K
R779 1K
R780 1K
R764 1K
R710
2.7K
R709
3.9K
R708
5.6K
SW707
SW706
SW705
C704
0.022
C703
0.022
L701
100µH
R799
2.2K
R798
47K
Q706
KRC102 M
R874
10K
C827
470P
R70N
10
(Fusible)
D723
1SS133
D722
1SS133
C831
0.056
IC801
TA2065F
R726
1K
R739 47K
R810
2.2K
C826
1/50
C833
220/10
C829
3.9P
C828
0.056
IC804
M56748FP
R875
10K
R713
10K
R722
10K
R721
10K
R814
1M
R811
27K
R809
100K
C807
0.22
C820
0.0068
C811
22/16
R816
47K
R817
15K
C810
0.1
R813
2.2K
R812
18K
C832
47/16
C822
47/16
C824
0.056
C821
0.022
R821
18K
R828
2.7K
R827
150K
C809
0.015
R804
120K
R788
47K
R787
47K
SW801
M801
M802
C802
100/10
LED709
204GDTR4
LED708
204GDTR4
LED706
204GDTR4
LED705
204GDTR4
SW718
SW714
SW713
SW712
SW711
SW710
R717
3.9K
R718
2.7K
R719
1.8K
R720
1.8K
R712
1.8K
R711
1.8K
SW704
SW703
SW702
R729
10K
R70C
3.3K
D720
1SS133
C715
100/10
R70F
82
R70L
1K
C713
10/16
C716
47/16
ZD702
UZ6.2BSC
C717
0.022
R70P
330
R70R
100
Q704
2SD468 C
Q703
KTC3199 GR
R70J
10K
Q702
KTC3199 GR
R70H
10K
R70M
100
ZD701
UZ3.3BSB
C714
470P
C710
0.01
R70A
1K
R70B
1K
C711
3.3/50
Q701
KRC102 M
R723
47K
R732 1K
R731 1K
R730 1K
R728 1K
R741 1K
R742 1K
R743 1K
R738 47K
R737 47K
R736 47K
R735
47K
R725
47K
R724
47K
C702
22P
C701
22P
X701
R744 1K
R756 1K
R755 1K
R754 1K
R753 1K
R751 1K
R750 1K
R749 1K
R748 1K
R747 1K
R746 1K
R745 1K
R871 10K
R872 10K
C871
330/10
R801
22
Q801
2SA1015 GR
VR802
100K(B)
R805
180K

Related product manuals