EasyManua.ls Logo

Sharp XL-505H - Page 38

Sharp XL-505H
56 pages
Print Icon
To Next Page IconTo Next Page
To Next Page IconTo Next Page
To Previous Page IconTo Previous Page
To Previous Page IconTo Previous Page
Loading...
XL-505H,505E,507E/CP-505,505E,507
– 38 –
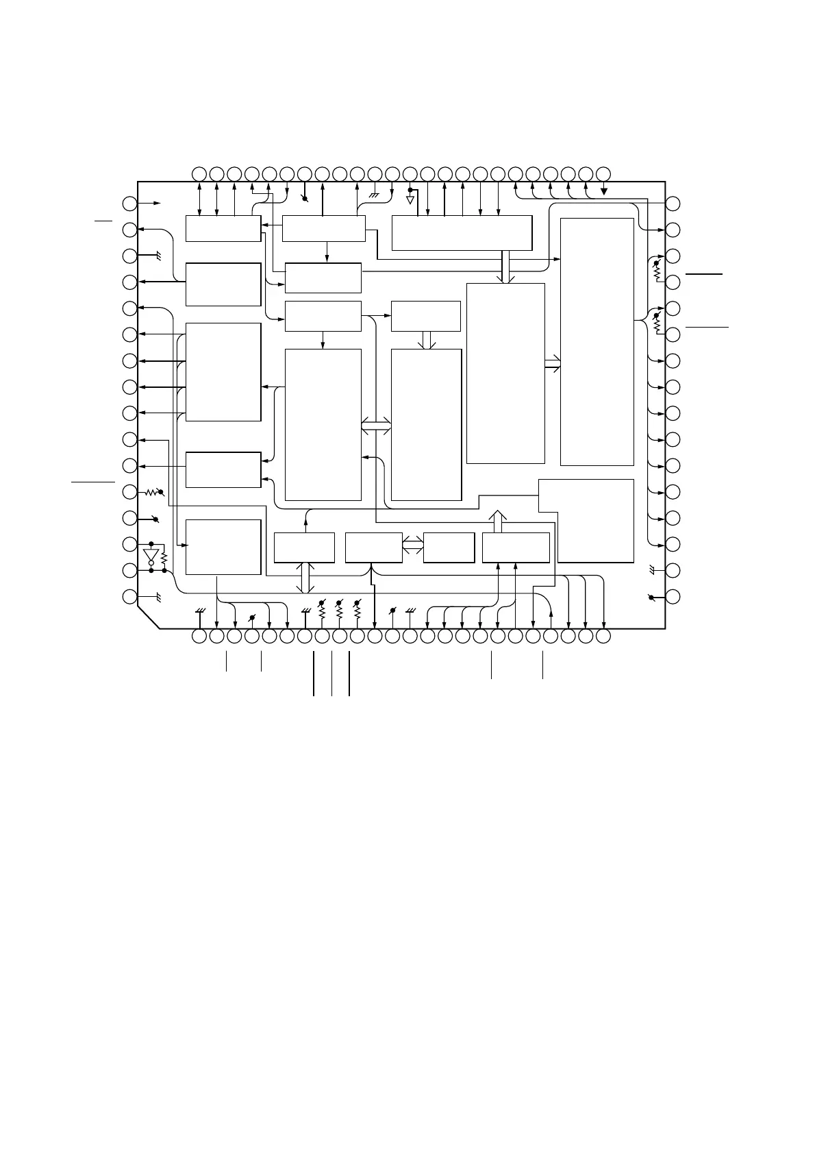
Figure 38 BLOCK DIAGRAM OF IC
IC802 VHiTC9284BF-1:Servo/Signal Control (TC9284BF)
64 63 62 61 60 59 58 57 56 55 54 53 52 51 50 49 48 47 46 45 44 43 42 41
123456789101112131415161718192021222324
40
39
38
37
36
35
34
33
32
31
30
29
28
27
26
25
65
66
67
68
69
70
71
72
73
74
75
76
77
78
79
80
DMPC
VCOF
LPFO
LPFN
TMAX
PDO
PDCNT
V
DDA
DTSC1
DTSC2
GNDA
RFI
RFRP
SBAD
TEOF
TESH
FEI
FEL1
FEL2
FKIC
FCSI
SEL
2V
REF
V
REF
MONIT
DMFC
DMON
TEST
FMFB
TEST1
FMON
TKIC
TGUH1
TGUH2
TGUL
TEL1
TEL2
DFCT
GNDD
V
DDD
TESTX
GNDA
RO
RO
VDA
LO
LO
GNDA
TEST3
TEST4
TEST5
SBOK
GNDD
BUS0
BUS1
BUS2
BUS3
CCE
BUCK
PFCK
RST
SUBSYC
SUBD
CLCK
V
DDD
HS
GNDD
SPDA
COFS
WDCK
CHCK
BCK
AOUT
EMPH
DOUT
TEST2
V
DDX
XI
XO
GNDX
PLL circuit
Internal
status
Correcting
output
circuit
audio
output
Digital Out
Clock
generator
Q data
RAM
CD bus
interface
Correcting
system
timing
generator
Sub-code
demodulation
circuit
Correcting
circuit
Servo status
signal
generating
circuit
Tracking
search
control
circuit
Focus/
tracking
servo
16K RAM
DA
converter
Data slicer
AD converter
Address
circuit
TMAX detection circuit
CLV servo circuit
Sync separating circuit
EFM demodulation circuit

Related product manuals