EasyManua.ls Logo

Sharp XL-505H - Page 40

Sharp XL-505H
56 pages
Print Icon
To Next Page IconTo Next Page
To Next Page IconTo Next Page
To Previous Page IconTo Previous Page
To Previous Page IconTo Previous Page
Loading...
XL-505H,505E,507E/CP-505,505E,507
– 40 –
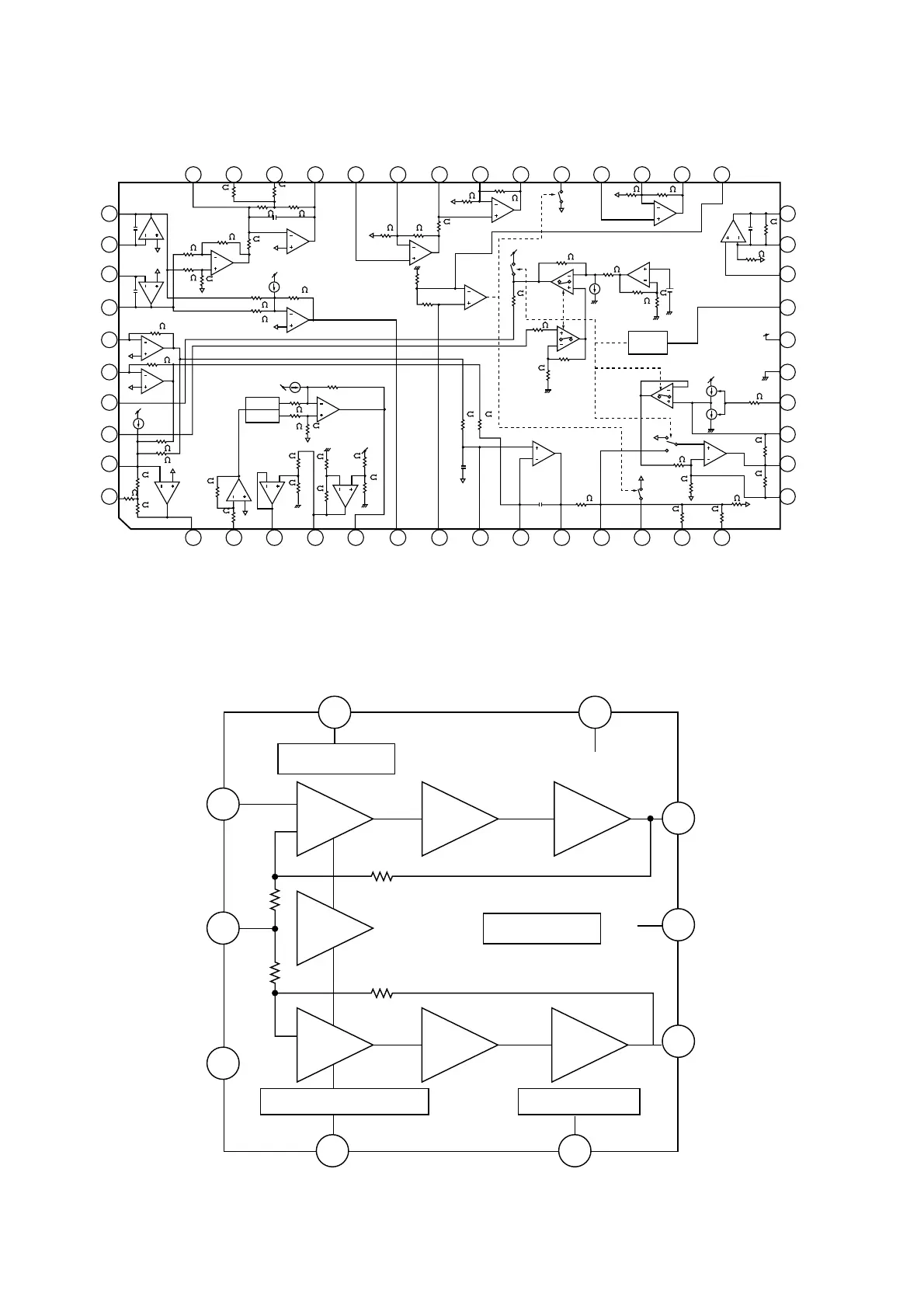
IC801 VHiTA2065F/-1:Servo Amp. (TA2065F)
Figure 40-1 BLOCK DIAGRAM OF IC
IC601 VHiLA4600//-1:Power Amp. (LA4600)
Figure 40-2 BLOCK DIAGRAM OF IC
V
CC
7
10
9
8
65
3
2
1
4
R
f1
P.P
Filter
R
f2
R
Nf1
R
Nf2
Standby
ch1
Input
amp.
ch2
Input
amp.
RF
amp.
Pre-
drive
amp.
Pre-
drive
amp.
Output
amp.
Output
amp.
Standby switch
Pop sound preventing block
TSD protector
Ripple filter
ch1 input
ch1 output
ch2 output
Large signal
GND
ch2 input
Small signal
GND
38 37 36 35 34 33
FMS
BGR
FSOSC
3 STATE
DET
LD
FS
FE
MD
RFRP
ADD
TE
TS
TS1
TS2
TPTN
FN
FP
BOTTOM
PEAK
2VR
VR
RFBF
RF
180k
20k
68k
32 31 30 29 28 27 26 25
1 2 3 4 5 6 7 8 9 10 11 12 13 14
24
DMEO
TSN
TEL2
TEL1
TSO
TS1P
TS1N
TS2P
TS2N
TS2O
THLD
FMSP
FMSN
FMSO
DFCT
RFO
RF1
VRO
2VRO
RFRP
SBAD
DFIN
FEP
FEN
FEO
FEI
FHLD
FEL1
FEL2
DMEN
DMEP
SEL
GND
OSCI
COSC
FSO
FSN
V
CC
TPO
TPI
TNI
TNO
FPI
LDO
MDI
RFN
RFT
FNI
23
22
21
20
19
18
17
16
15
39
40
41
42
43
44
45
46
47
48
10k
2.8k
68k
5pF
1.35V
100µA
16k
1k
1.27k
15k
15k
33PF
29k
20k
20k
20k
30k
30k
20k
20k
20k
7k
1.75k
20k
25k
24k 12k
47k
47k
100k
20k
10k 10k
10k
10k
21k
21k21k
21k21k
20k
5k
5k
35µA 39PF39PF
68µF
25µA
20µA
4k 22k
500
30k
47k
22k
30k
49k
150k
47k
680k
1.5k
70k20k33PF
100k

Related product manuals