EasyManua.ls Logo

Shure FP410 - Page 9

Shure FP410
9 pages
Print Icon
To Previous Page IconTo Previous Page
To Previous Page IconTo Previous Page
Loading...
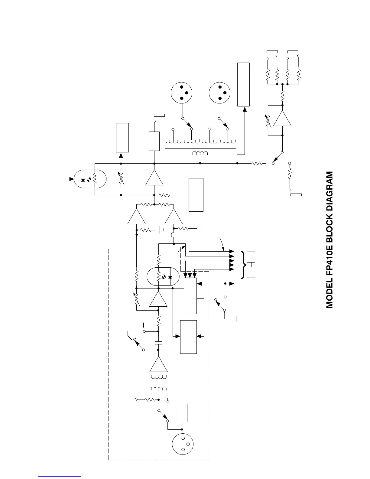
ATTEN
PHANTOM
POWER
LOW-CUT
BALANCED
MIC/LINE
INPUT
CHANNE
L
LEVEL
INDICATORS
INTELLIMI
X
CONTROL
AUTO
MANUAL
IN
OUT
LIN
K J
ACKS
CHANNEL
S 2
, 3, 4
CHANNEL
LEVEL
GATED
SIGNALS
NON-GATED
SIGNALS
1 K
Hz
OSCILLATOR
MASTE
R L
EVEL
LIMITER/
INDICATOR
ATTEN
TAPE
OUT
MIC
LINE
MIC
LINE
BALANCED
MIC/LINE
OUTPUTS
HEADPHONES
LEVEL
MONITOR
IN
HEADPHONES
CHANNE
L 1 (
TYPICAL)
PEAK/VU/BATTERY
METER

Related product manuals