EasyManua.ls Logo

Side-Power RCT-20E - S-Link System Wiring Diagram

Side-Power RCT-20E
20 pages
Print Icon
To Next Page IconTo Next Page
To Next Page IconTo Next Page
To Previous Page IconTo Previous Page
To Previous Page IconTo Previous Page
Loading...
12
2955
8 2020
-
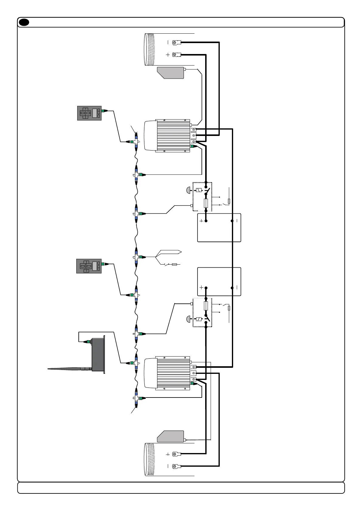
RCT 20E, 21E, 22E, 23E & REMOTE RECEIVER
MG_0195
Technical Wiring Diagram
EN
+12/24V
-
5A
S-link on/off
switch
red
yellow
black
12/24V12/24V
Stern thruster
battery
Bow thruster
battery
Bow thruster
(SEP model)
Stern thruster
(SEP model)
-
black
+
red
B+
-
black
+
red
B+
Fixed multicable 5m
Fixed multicable 5m
5A
+12/24
5A
+12/24
PPC
PPC
Proportional
Power Controller
Proportional
Power Controller
PJC 212
Proportional
Joystick
Controlpanel
Station 1
Automatic Main Switch
8977 12 / 8977 24
or
Manual main switch
w/ANL fuse
Automatic Main Switch
8977 12 / 8977 24
or
Manual main switch
w/ANL fuse
S-link control system
End terminator
End terminator
Proportional
Joystick
Controlpanel
Station 2
PJC 212
Observe PPC battery
terminal polarity !
S-link supply
S-link remote receiver
RCRS-1E

Related product manuals