EasyManua.ls Logo

Siemens LFL1.148

Siemens LFL1.148
11 pages
To Next Page IconTo Next Page
To Next Page IconTo Next Page
To Previous Page IconTo Previous Page
To Previous Page IconTo Previous Page
Loading...
9/11
Building Technologies Division CC1N7454en
20.11.2017
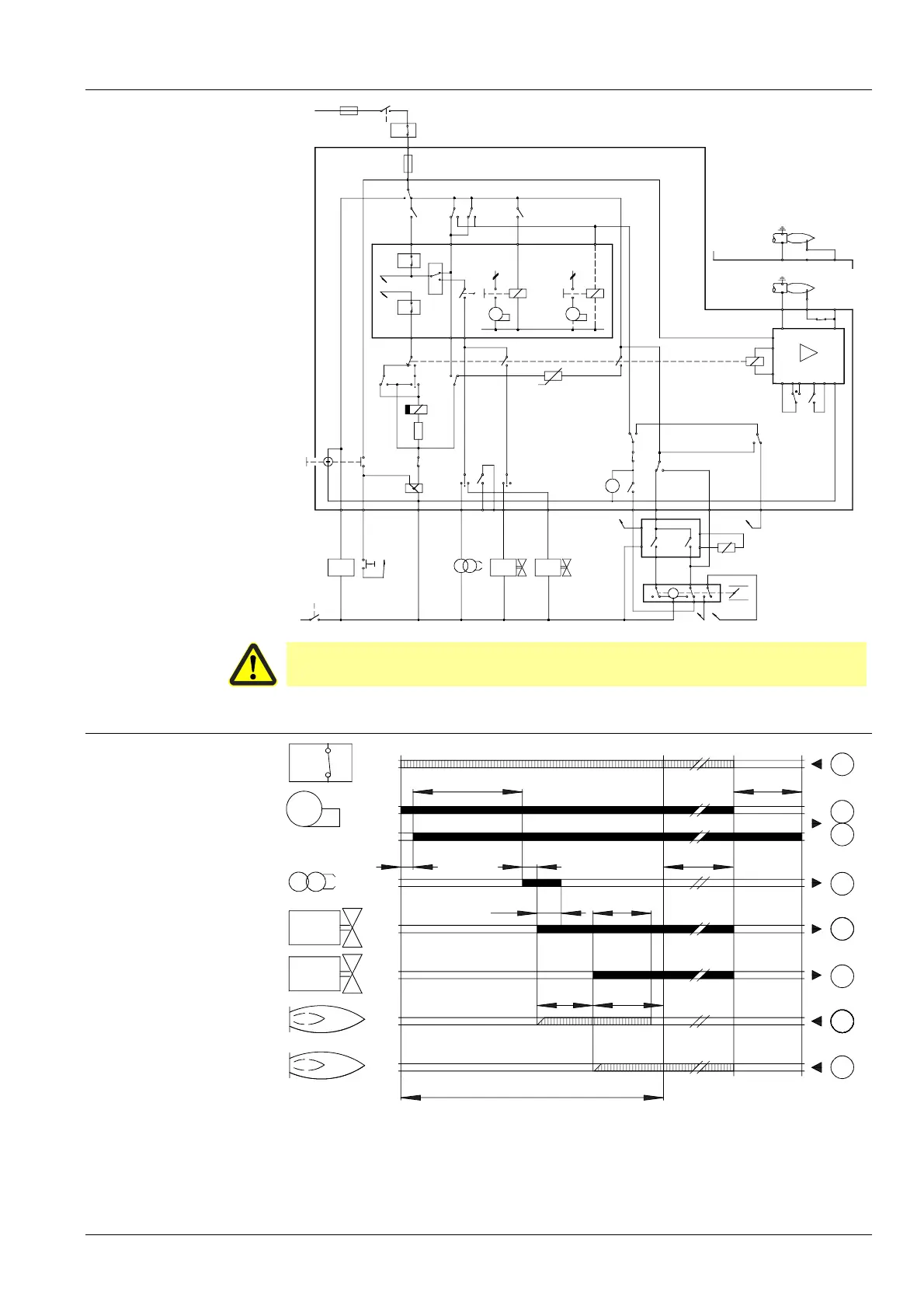
Basic diagram
L
H
1
AS
br1
ar1
I
XV
ar2
ION2
22 23 24
76
12
4
W
x
y
R
LP
d1
d2
5
13 14
N
M1
M2
d1
d2
22 23
24
ION1
X
fr1
XI
XIII
XII
AR
br2
L1
EK1
BR
321
2
16
AL
N
H
EK2
1
910 18 19
Z
BV1
BV2
1
L
N
Y1
15
20
11
8
6
B1
M
Q
LK
xy
SA
a
z
m
M
Y2
LR
E
A
M
a
b
b
a
a
b
ba
ab
b
a
ab
fr3
NTC
fr2
FR
V
(1)
(1)
ab
XIV IV
VII
a
b
ar3
V
IX
VI
a
b
M
~
SM
VIII
IIIII
b
b
a
a
7454a01/0204
SB
Si
Warning!
Do not press reset bottom (EK) for more than 10 seconds!
Control program
SB/
R/W
M1
Z
BV1
BV2
FS1
FS2
A
B
C
D
t1
t6
t7
t3
t20
TSA
t9
t4
t5
t8
7454d02/0204
1
6
7
16
18
19
23
24

Related product manuals