EasyManua.ls Logo

Siemens LFS1.11A2

Siemens LFS1.11A2
40 pages
To Next Page IconTo Next Page
To Next Page IconTo Next Page
To Previous Page IconTo Previous Page
To Previous Page IconTo Previous Page
Loading...
44 ซ.บรมราชชนนี 70 ถ.บรมราชชนนี ศาลาธรรมสพน์ ทวีวฒนา กทม. 10170.
website: https://www.add-furnace.com/ โทร: 02-888-3472
Line ID: @add11 Wechat ID: add0883001122
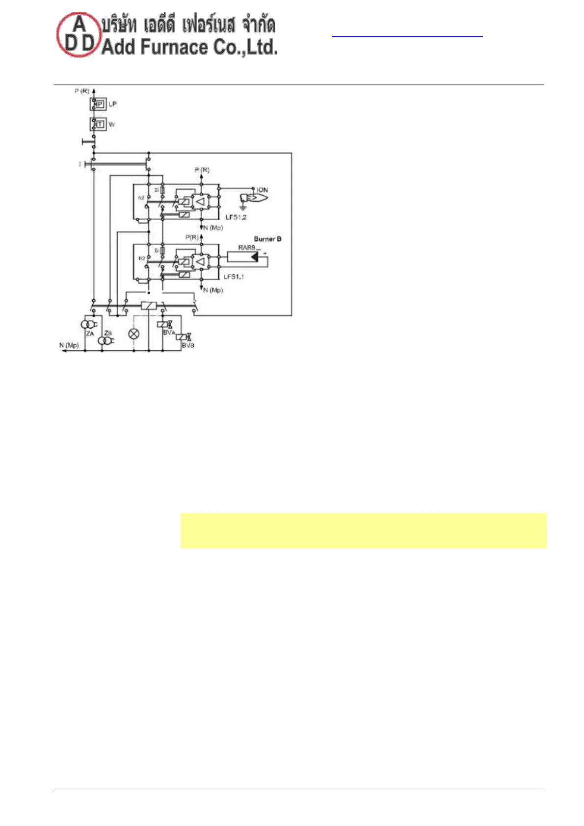
Mode of operation of the flame safeguards when used for the supervision of 2 manually controlled burners
0
10
12
Burner A
1
3
fr1
FR
4
5
6
hr1
HR
9
11
2
10
12
1
fr1
FR
4
5
hr1
HR
6
9
11
2
d
L2
7782a10en/0416
With this type of supervision, too, the burner can be
started only if the flame detector test or flame simulation
test has been successful. This means that neither of the
2 flame safeguards may detect a flame signal during
burner off times. When the burner is started up, the
detector test will automatically be interrupted. When
button (I) is pressed, relay (d) is energized via circuit
path 9...10 of the flame relays, which is still closed, thus
switching on the ignition of both burners. At the same
time, fuel is released.
The duration of the start pulse given by pressing button
(I) should be limited by a time relay in the sense of
a safety time.
If a flame is established on both burners indicated by
the signal lamps in the housing of the flame safeguards
relay (d) is now maintained in its energized condition
via circuit path 11...12 of the 2 flame relays.
When the button (I) is released, the ignition will be
switched off, thus completing the startup sequence. If
the event of loss of flame on 1 of the burners, the
respective flame relay is deenergized, thereby
neutralizing the holding circuit for relay (d). This
means that the fuel valves of both burners will
immediately be shut.
The burners are switched off manually be pressing the
button (0), or automatically by the control thermostat
or pressurestat / pressure switch in the phase wire
connection.
In the case of flame supervision with ionization
probes, terminal 6 of the flame safeguards must be
connected directly to the phase since no detector test
is required here.
Example:
With a connection to terminal 1.
Β
Note!
Ensure that the drop-out delay time of relay d does not exceed 50 ms; refer to
connection example 7782a06.
Key
BV...
Fuel valve
FR
Internal flame relay
fr1
Flame relay NO contact
fr2
Flame relay NC contact
HR
Internal auxiliary relay (test mode switchover)
hr1
Auxiliary relay NO contact
L2
Lockout warning lamp, external
LP
Air pressure switch
R...
Control thermostat or pressurestat
Si
Internal fuse
W
Limit thermostat or pressure switch
Z
Ignition transformer
29/40
Building Technologies CC1N7782en 18.04.2018

Related product manuals