EasyManua.ls Logo

Siemens LFS1.11A2

Siemens LFS1.11A2
40 pages
To Next Page IconTo Next Page
To Next Page IconTo Next Page
To Previous Page IconTo Previous Page
To Previous Page IconTo Previous Page
Loading...
44 ซ.บรมราชชนนี 70 ถ.บรมราชชนนี ศาลาธรรมสพน์ ทวีวฒนา กทม. 10170.
website: https://www.add-furnace.com/ โทร: 02-888-3472
Line ID: @add11 Wechat ID: add0883001122
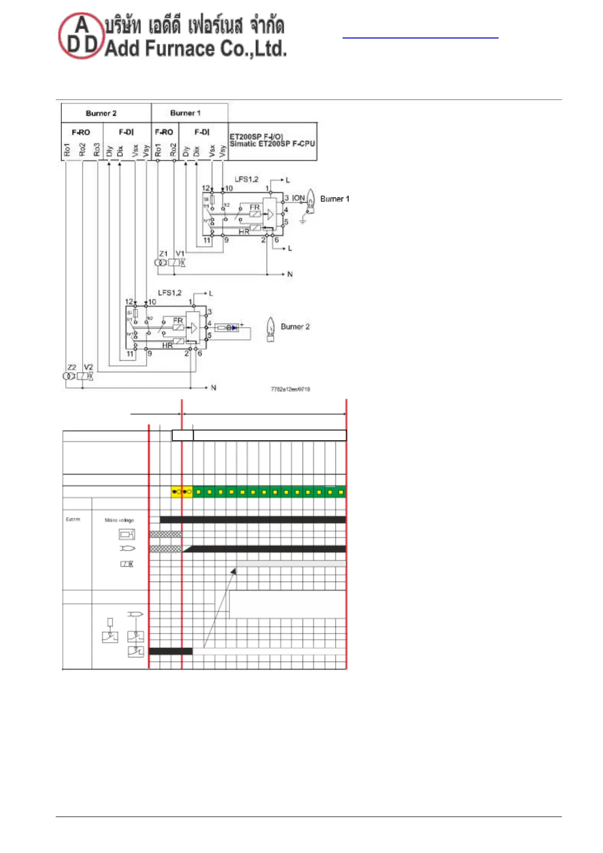
Mode of operation of the flame safeguards in the case of multiflame supervision with a PLC,
intermittent operating mode
QRA
In the case of multiflame supervision, a fail-safe
PLC performs the central control function (the
example shown uses a Simatic ET200SP F-
CPU and input / output modules ET200SP F-
I/O). Each burner has its own ignition
equipment, its own fuel valve, and its own flame
supervision system (made up of a flame
safeguard LFS1.2 and a flame detector).
The control contacts for all the flame safeguards'
flame relays are connected in parallel. In other
words, each burner can be switched on and off
independently of the other burner.
The flame signal is evaluated in the PLC on a
non-equivalent basis in line with the evaluation
principle 1oo2 (1-OFF-2). This means that the
2-way start pulse is tested at terminals Dix and
Diy.
In the event of a flame ON signal, the fr1 (NO)
contact closes and the fr2 (NC) contact opens
at the same time.
In the event of a flame OFF signal, the fr2 (NC)
contact closes and the fr1 (NO) contact opens
at the same time.
Wait for standby
Test for prematurely aged UV cell
Program time
tw
tan
Phase number AZL2
oP:P2
0
Parameter number AZL2
0
7
.
1
2
LED steady on
LED flashes
Terminal
Function / inputs
Ro3
T / B
hr1
No. 4 / 5
FS
(LFS1)
Ro2
V2
Safety shutdown V2 = OFF
Terminal
Function / outputs
If the fr2 signal disappears due to extraneous
T
light (e.g., from an aged UV cell), burner startup
must be prevented.
/
B
Dix
hr1
fr1
Burner 2)
Diy
fr2
Burner 2)
The test mode switchover for the burner 1
flame safeguard is inactive (terminal 6 is
permanently connected to phase conductor L).
The test mode switchover for the burner 2 flame
safeguard is active. This means that terminal 6
is switched off by the PLC via a fail-safe relay
output (Ro3) at set intervals or after 24 hours of
uninterrupted burner operation at the very
latest; refer to the adjacent control sequence.
The PLC must prevent further burner operation
until the cause of the error has been rectified.
7782d05en/1215
31/40
Building Technologies CC1N7782en 18.04.2018

Related product manuals