EasyManua.ls Logo

Silver Wolf BR 510 - Page 126

Default Icon
Print Icon
To Next Page IconTo Next Page
To Next Page IconTo Next Page
To Previous Page IconTo Previous Page
To Previous Page IconTo Previous Page
Loading...
126
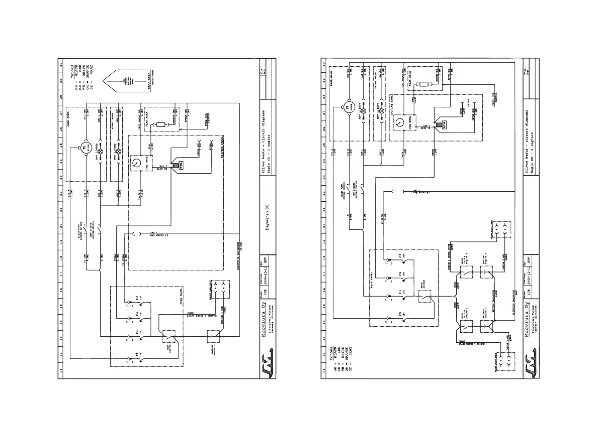
Kopplingsschema: Eagle CC och Shark CC
Bild. 6 Elschema

Table of Contents