EasyManua.ls Logo

Silverado 1500 - Page 63

Silverado 1500
1110 pages
Print Icon
To Next Page IconTo Next Page
To Next Page IconTo Next Page
To Previous Page IconTo Previous Page
To Previous Page IconTo Previous Page
Loading...
Mirrors 2-47
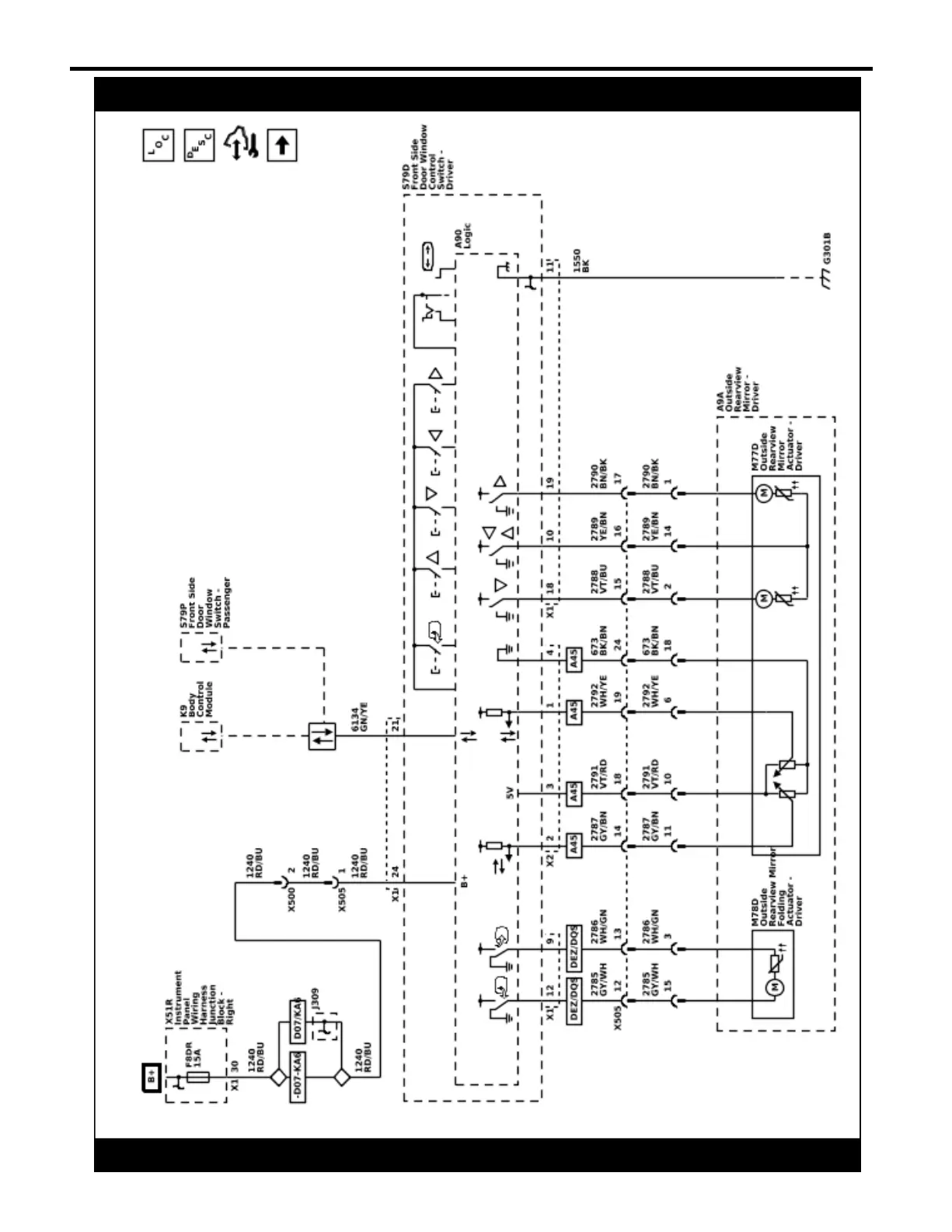
Outside Rearview Mirror Schematics (Driver Controls, Position, and Folding)
5967358
2022 - Silverado 1500 (New) Electrical Body Builder Manual