EasyManua.ls Logo

Silverado 1500 - Page 64

Silverado 1500
1110 pages
Print Icon
To Next Page IconTo Next Page
To Next Page IconTo Next Page
To Previous Page IconTo Previous Page
To Previous Page IconTo Previous Page
Loading...
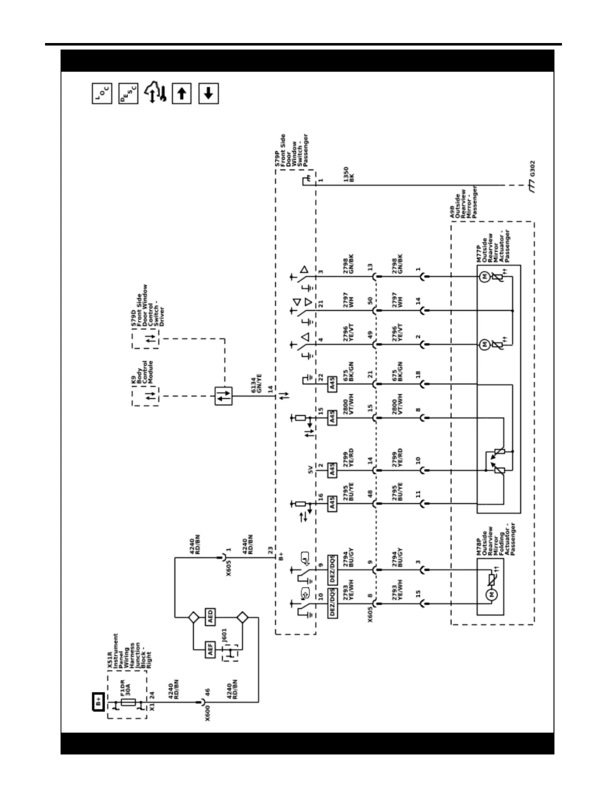
2-48 Mirrors
Outside Rearview Mirror Schematics (Passenger Controls, Position, and Folding)
5967359
2022 - Silverado 1500 (New) Electrical Body Builder Manual