EasyManua.ls Logo

Silverado 1500 - Page 89

Silverado 1500
1110 pages
Print Icon
To Next Page IconTo Next Page
To Next Page IconTo Next Page
To Previous Page IconTo Previous Page
To Previous Page IconTo Previous Page
Loading...
Vehicle Access 2-73
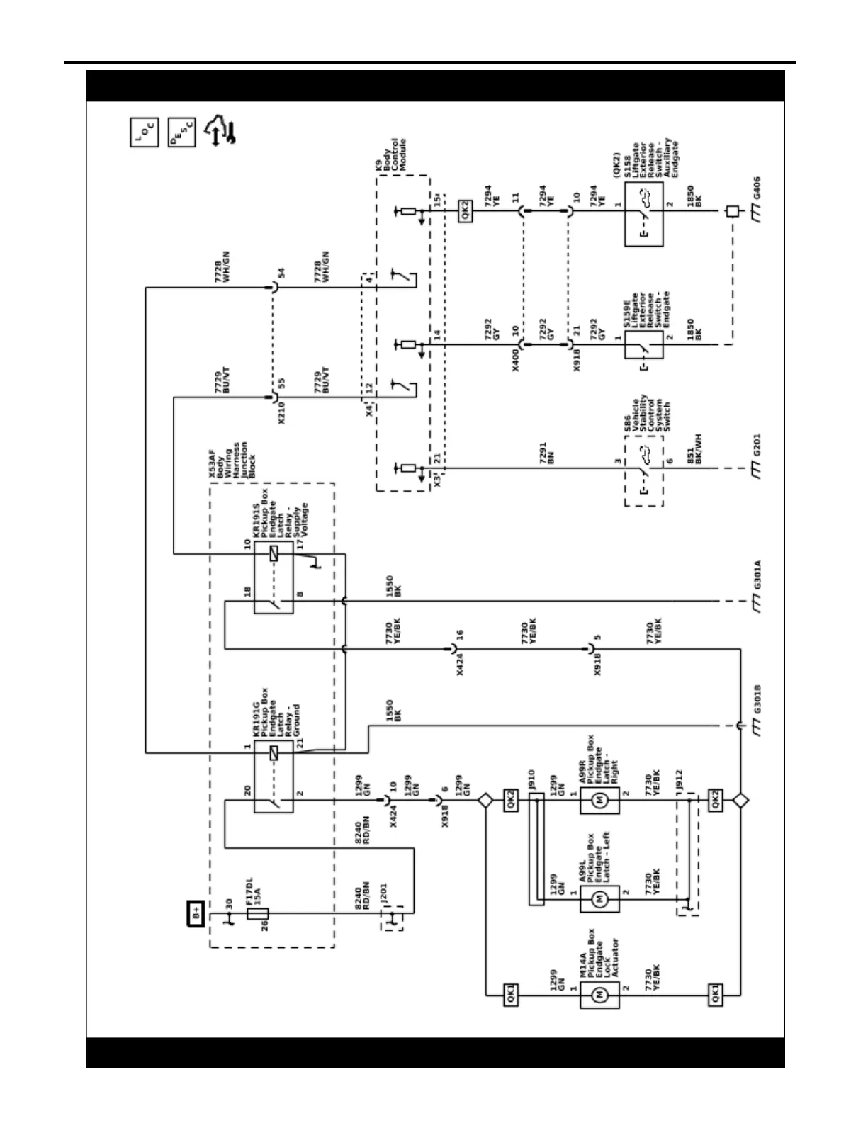
Release Systems Schematics (Endgate Release (QT5))
5967372
2022 - Silverado 1500 (New) Electrical Body Builder Manual