EasyManua.ls Logo

Simoco SRM9000 - Page 70

Simoco SRM9000
83 pages
Print Icon
To Next Page IconTo Next Page
To Next Page IconTo Next Page
To Previous Page IconTo Previous Page
To Previous Page IconTo Previous Page
Loading...
MRMap Development Team 10/01/2009
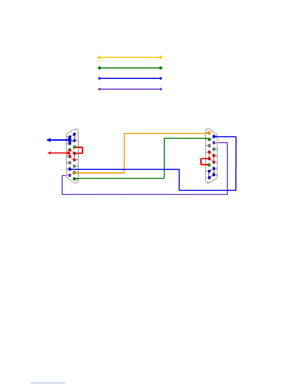
TWC
Channel
Radio
Pin 3 to Pin 4
Ignition Sense
Pin 3 to Pin 4
Ignition Sense
Rebro Channel Radio
The connections between Pins 14 and 15 on both
D-15 connectors should be made using screened
cable. The screen is connected to pin 10
The ignition sense connection between pins 3
and 4 is sometimes necessary to ensure that the
radio switches on when power is applied. When
used in a repeater or rebroadcast configuration
there is no control head which would otherwise
indicate this.
No connections are required to the radio RJ45
ports and the red, cross over cable is not used in
this configuration. If required, GPS tracking at the
Repeater vehicle is handled by plugging the
computer into the RJ45 connector on the TWC
radio.
If required, a control head can be fitted to the TWC
radio via the RJ45 port. If the power supply to the
rebro channel radio is switched, then the system only
enters repeater mode if this switch is on. If not then
the primary radio functions as normal.
If both a control head and forward control GPS
tracking of team members is required then an MA-
ASIG accessory board configured for dual control
heads should or a standard Dmap board be fitted. The
control head is plugged into the accessory board and
the tracking computer is connected via the radio RJ45
port.
Anyone looking for a short length of something
suitable to make up the crossover cable? Have a look
to see if you have an old PC mouse lying about. The
cables on these usually contain four cores and a
screened foil sheath having a drain wire fitted that can
take a solder connection.
Pin
7
8
14
15
TWC
Pin
8
7
15
14
Rebro
Tx/Rx
Tx/Rx
AUDIO
AUDIO
An Alternative Approach To Rebroadcast That Doesn’t Use The Standard
Cross-Over Cable.
Schematic
13.6v

Other manuals for Simoco SRM9000

Related product manuals