EasyManua.ls Logo

Simplicity 1692380 - Page 103

Simplicity 1692380
136 pages
Print Icon
To Next Page IconTo Next Page
To Next Page IconTo Next Page
To Previous Page IconTo Previous Page
To Previous Page IconTo Previous Page
Loading...
10 Gear Transmission Repair
Peerless 915-016B
10-4
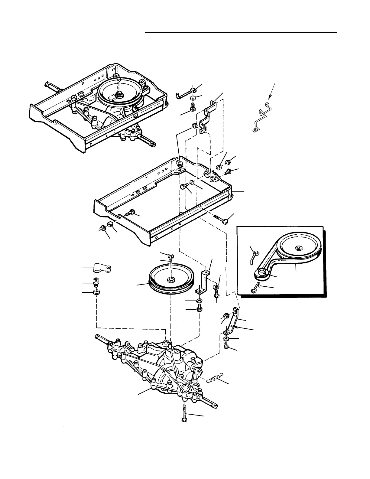
Figure 3 Peerless 915-016B Transaxle
13
24
23
14
28
30
31
31
18
26
22
22
16
30
6
5
11
2
15
32
21
25
29
28
17
27
25
4
7
1
20
19
9
8
3
10
12
Hook spring, Ref. No. 4, here.
Wire-Form Belt
Guide Used on
Later Models
Switch (15)
connected
to wires (2)
using two
small
screws.

Table of Contents

Other manuals for Simplicity 1692380

Related product manuals