EasyManua.ls Logo

Simplicity 1692385 - Page 85

Simplicity 1692385
136 pages
Print Icon
To Next Page IconTo Next Page
To Next Page IconTo Next Page
To Previous Page IconTo Previous Page
To Previous Page IconTo Previous Page
Loading...
9 Hydro Transmission Repair
Hydro-Gear 310-0500
9-6
8
10
9
1
35
29
34
34
22
16
38
35
34
15
26
14
39
24
48
23
43
13
11
4
5
52
3
20
46
49
42
53
2
6
12
7
37
21
38
51
41
25
34
34
44
17
46
47
27
37
40
50
45
28
19
33
31
36
30
32
30
32
18
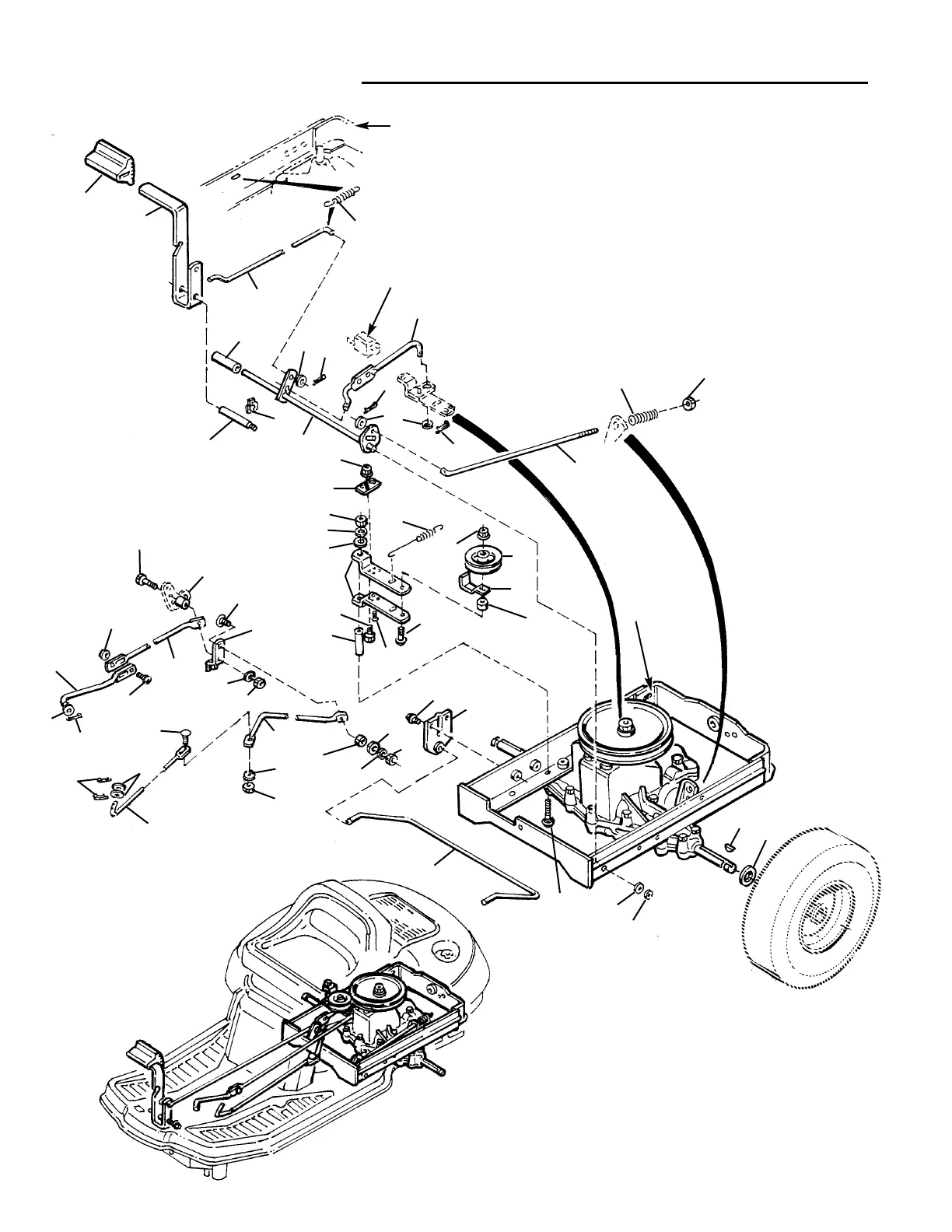
Transmission Carrier
See Electrical Group, Ref. No. 14
Hook spring
(Ref. No. 3)
here.
Figure 4. Hydro Control Linkage

Table of Contents

Other manuals for Simplicity 1692385

Related product manuals