EasyManua.ls Logo

Sinclair ASC-18A - Page 159

Sinclair ASC-18A
264 pages
Print Icon
To Next Page IconTo Next Page
To Next Page IconTo Next Page
To Previous Page IconTo Previous Page
To Previous Page IconTo Previous Page
Loading...
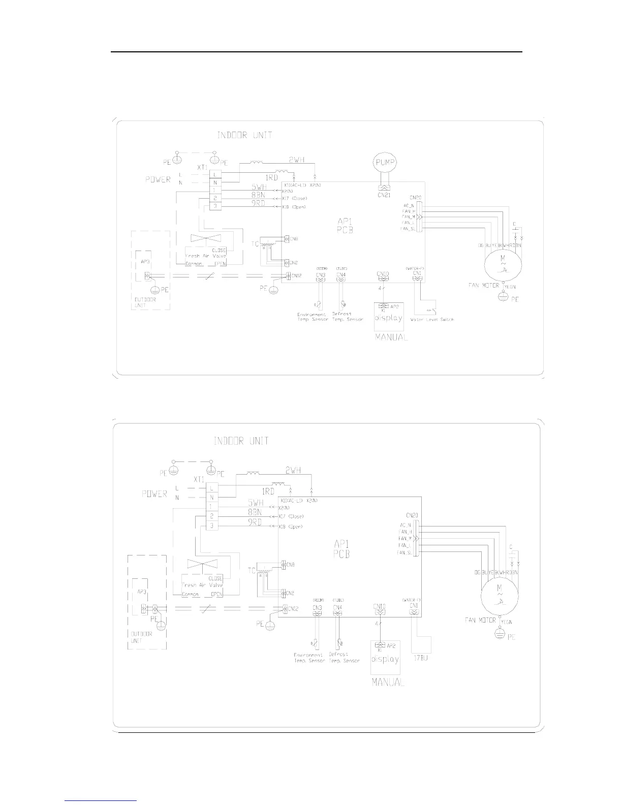
DC INVERTER U-MATCH AIR CONDITION MAINTENANCE
2 Indoor unit
Model: ASD-24AI, ASD-36AI, ASD-42AI,
ASD-42AI S, ASD-36AI S
ASD-18AI (new unit-main 30228205-BATCH 21954, 23820, 23903, 25568)

Related product manuals