EasyManua.ls Logo

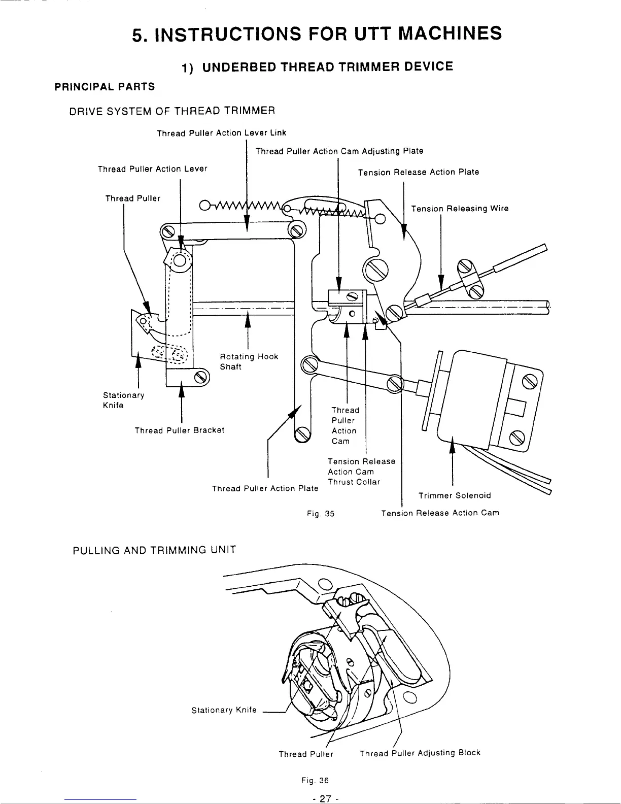
Singer 1591D300A - Instructions for UTT Machines; Underbed Thread Trimmer Device; Principal Parts

Singer 1591D300A
40 pages
Print Icon
To Next Page IconTo Next Page
To Next Page IconTo Next Page
To Previous Page IconTo Previous Page
To Previous Page IconTo Previous Page
Loading...

Table of Contents

Related product manuals