EasyManua.ls Logo

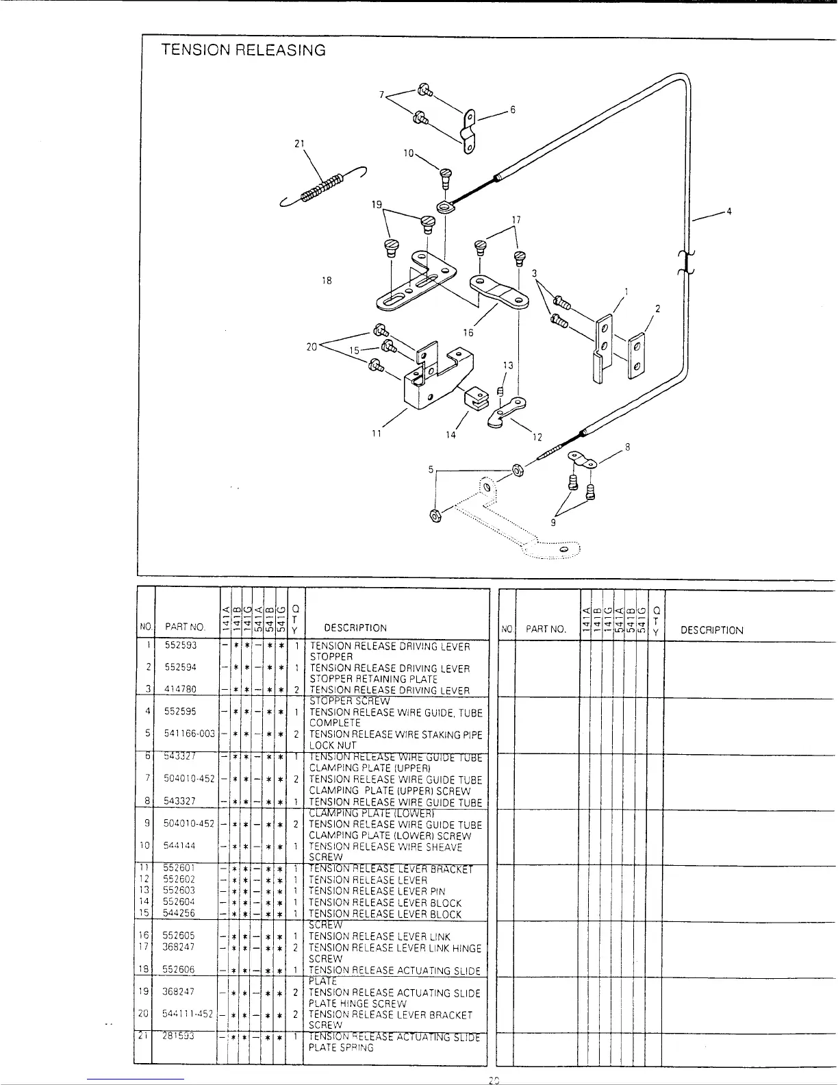
Singer 412U141B - Tension Releasing

Singer 412U141B
30 pages
Print Icon
To Next Page IconTo Next Page
To Next Page IconTo Next Page
To Previous Page IconTo Previous Page
To Previous Page IconTo Previous Page
Loading...

Related product manuals