EasyManua.ls Logo

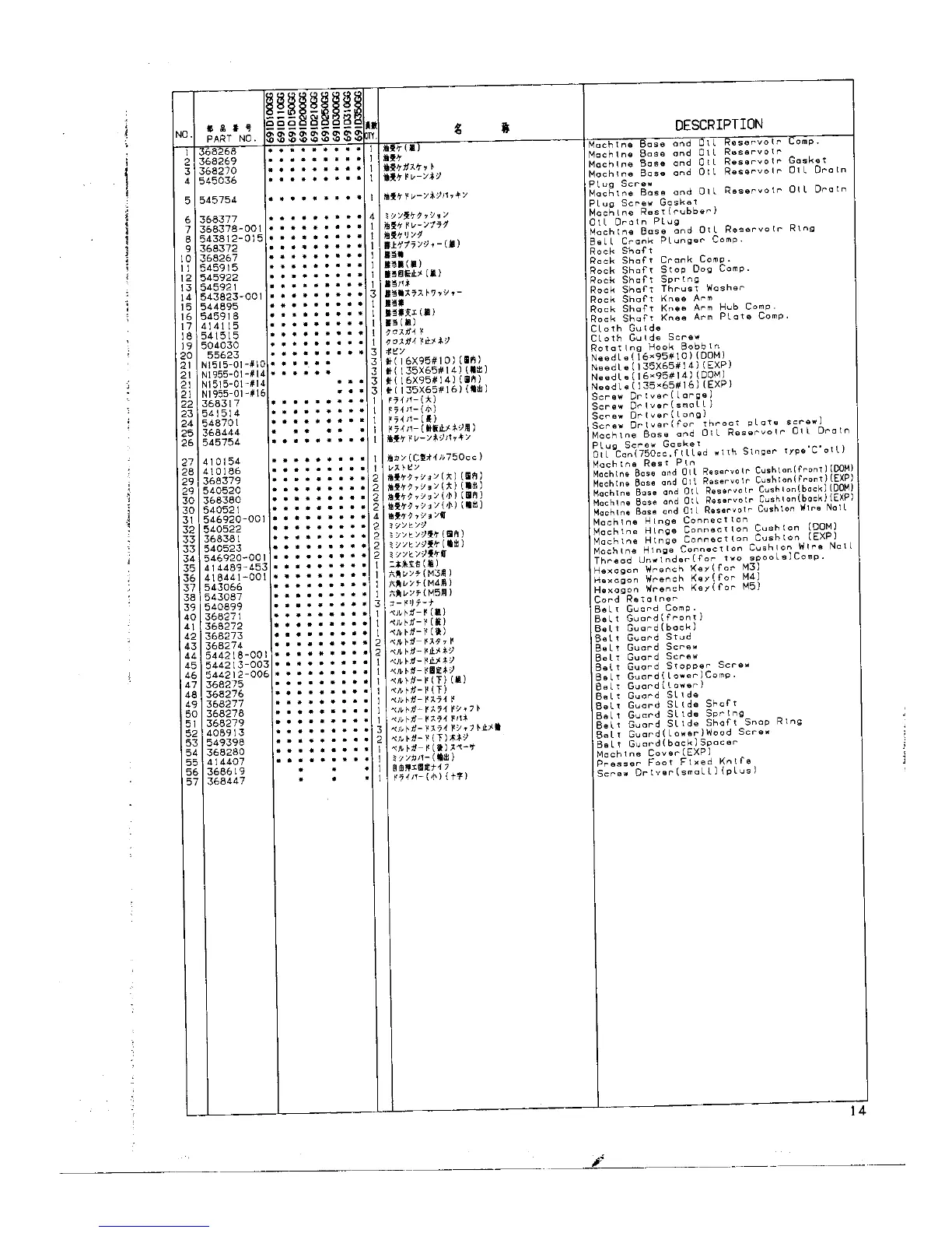
Singer 691 - Machine Base and Oil Reservoir Parts; Machine Hinge and Belt Guard Components; Specialty Tools and Kits

Singer 691
33 pages
Print Icon
To Next Page IconTo Next Page
To Next Page IconTo Next Page
To Previous Page IconTo Previous Page
To Previous Page IconTo Previous Page
Loading...

Related product manuals