EasyManua.ls Logo

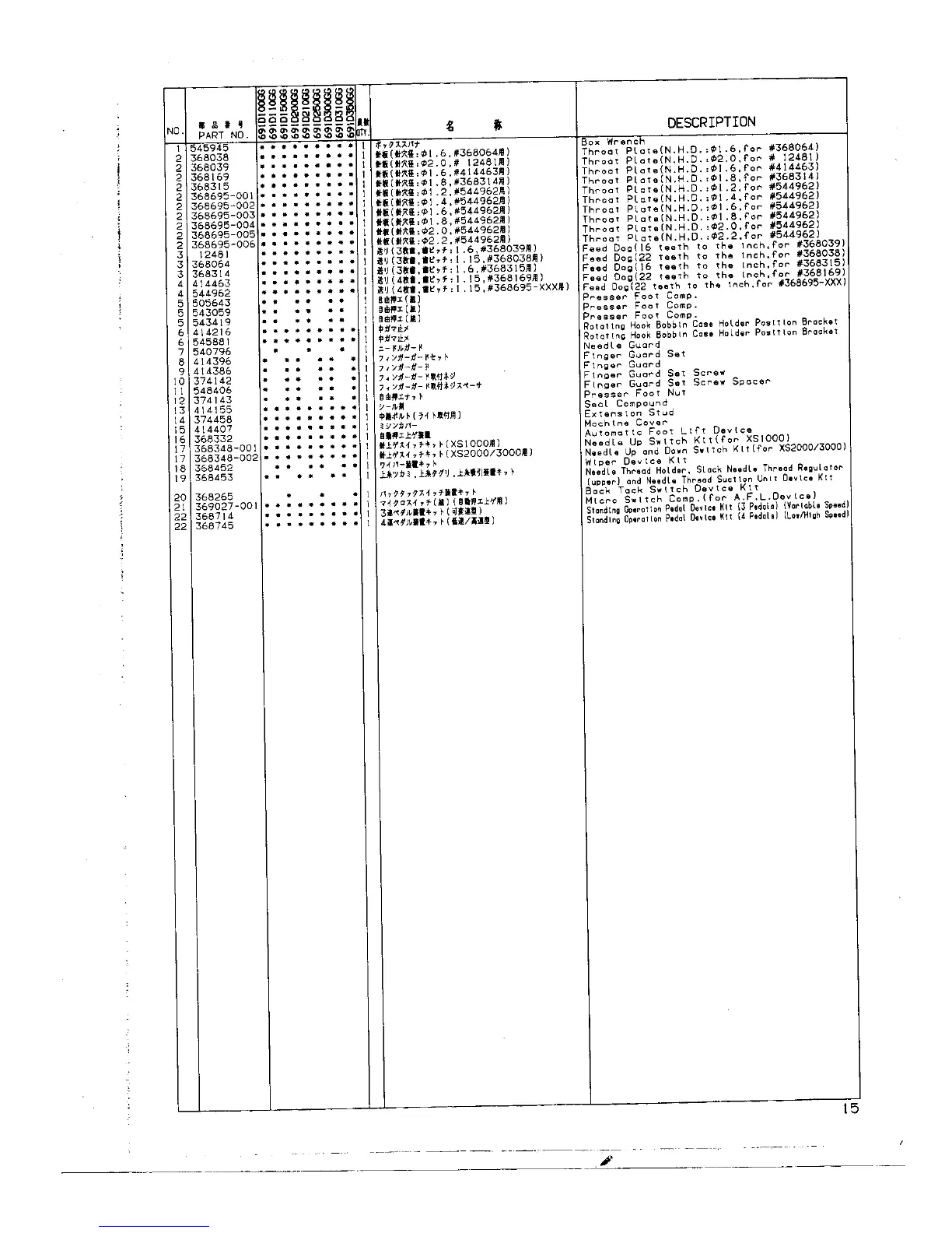
Singer 691 - Specialized Kits and Devices; Throat Plates and Feed Dogs; Presser Foot and Guards; Machine Cover and Accessories

Singer 691
33 pages
Print Icon
To Previous Page IconTo Previous Page
To Previous Page IconTo Previous Page
Loading...

Related product manuals