EasyManua.ls Logo

Singer CONFIDENCE 7467 - Page 54

Singer CONFIDENCE 7467
59 pages
Print Icon
To Next Page IconTo Next Page
To Next Page IconTo Next Page
To Previous Page IconTo Previous Page
To Previous Page IconTo Previous Page
Loading...
- 54 -
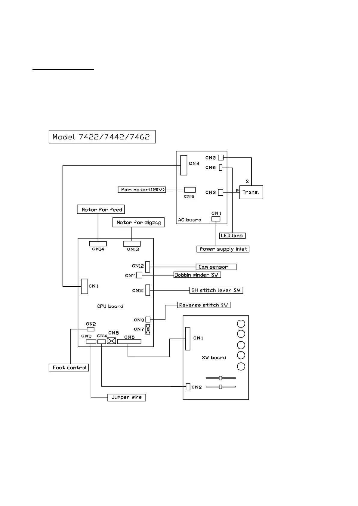
Wiring diagram

Related product manuals