EasyManua.ls Logo

SIP TORNADO 40 EOL - Page 115

SIP TORNADO 40 EOL
117 pages
Print Icon
To Next Page IconTo Next Page
To Next Page IconTo Next Page
To Previous Page IconTo Previous Page
To Previous Page IconTo Previous Page
Loading...
24
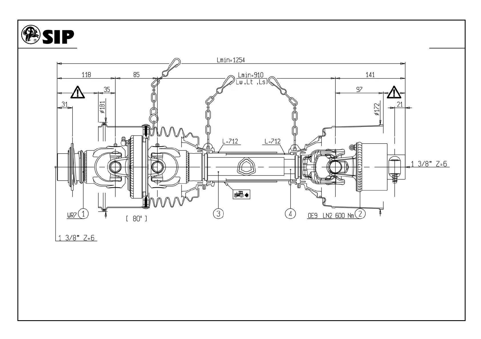
KARDAN.063.0
GELENKWELLE.063.0
P.T.O. SHAFT.063.0
Ident: 150011213
TORNADO 40 EOL=+2206
KARDAN.063.0 Ident: 150011213

Related product manuals