EasyManua.ls Logo

Skyjack SJKB-40-XRT - Page 37

Skyjack SJKB-40-XRT
213 pages
Print Icon
To Next Page IconTo Next Page
To Next Page IconTo Next Page
To Previous Page IconTo Previous Page
To Previous Page IconTo Previous Page
Loading...
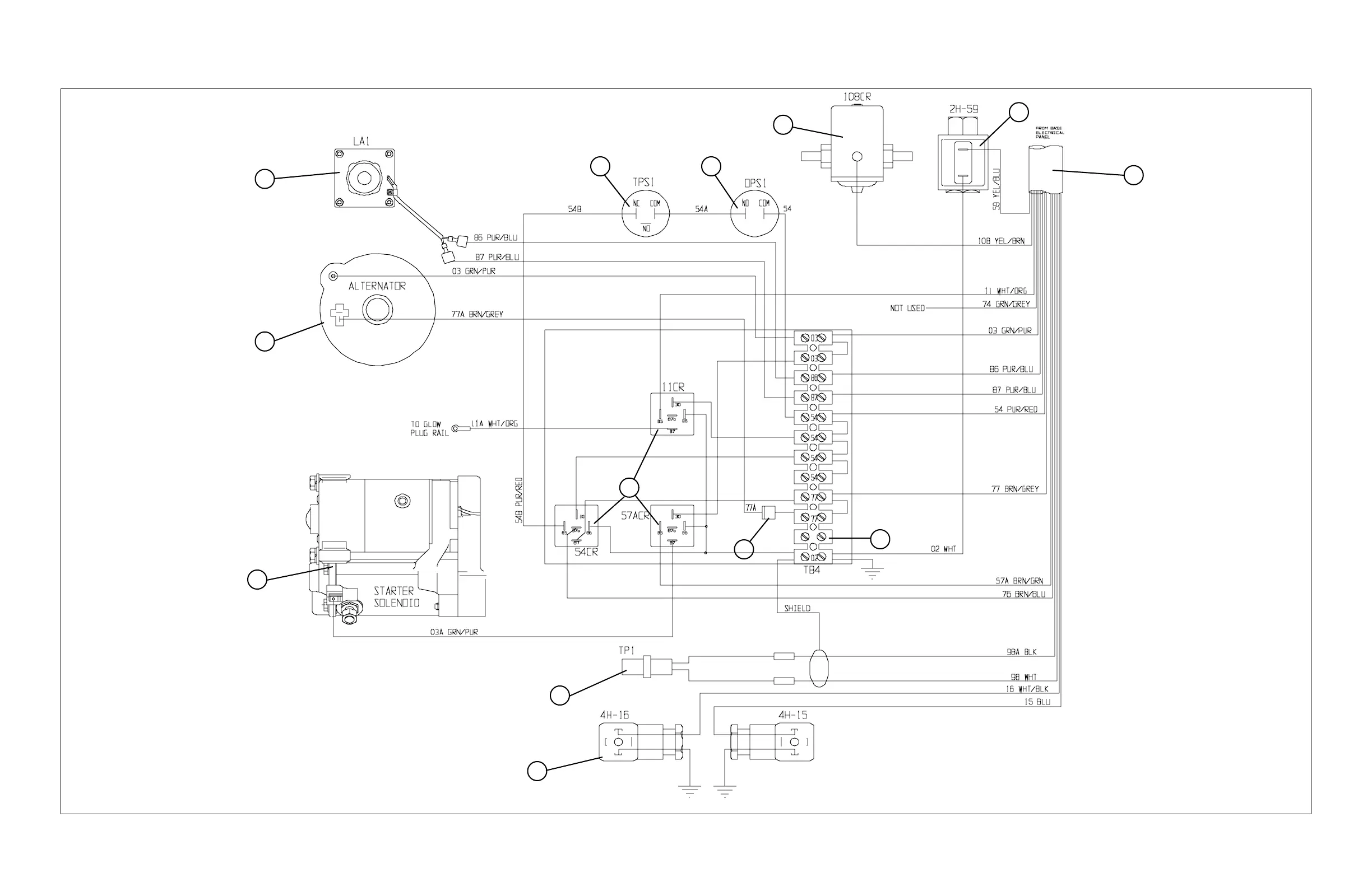
SJKB-40-D, SJKB-40-D/FSECTION 3, Page 14 JUN. 1999
FIGURE 3-6. ENGINE WIRING DIAGRAM (Diesel)
13
12
11
10
9
8
7
6
5 4
3
2
1
MA40-303

Table of Contents

Related product manuals