EasyManua.ls Logo

Smithco 1002 - Schematics; Wiring Schematic; Hydraulic Schematic

Default Icon
37 pages
Print Icon
To Next Page IconTo Next Page
To Next Page IconTo Next Page
To Previous Page IconTo Previous Page
To Previous Page IconTo Previous Page
Loading...
16
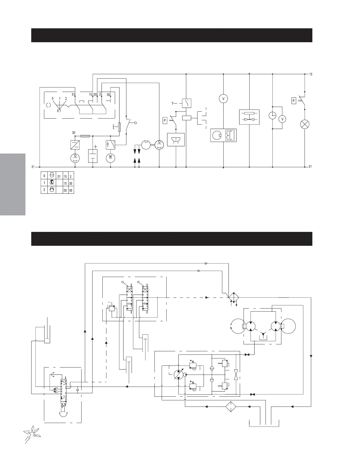
Schematics
WIRING SCHEMATIC
HYDRAULIC SCHEMATIC

Related product manuals