EasyManua.ls Logo

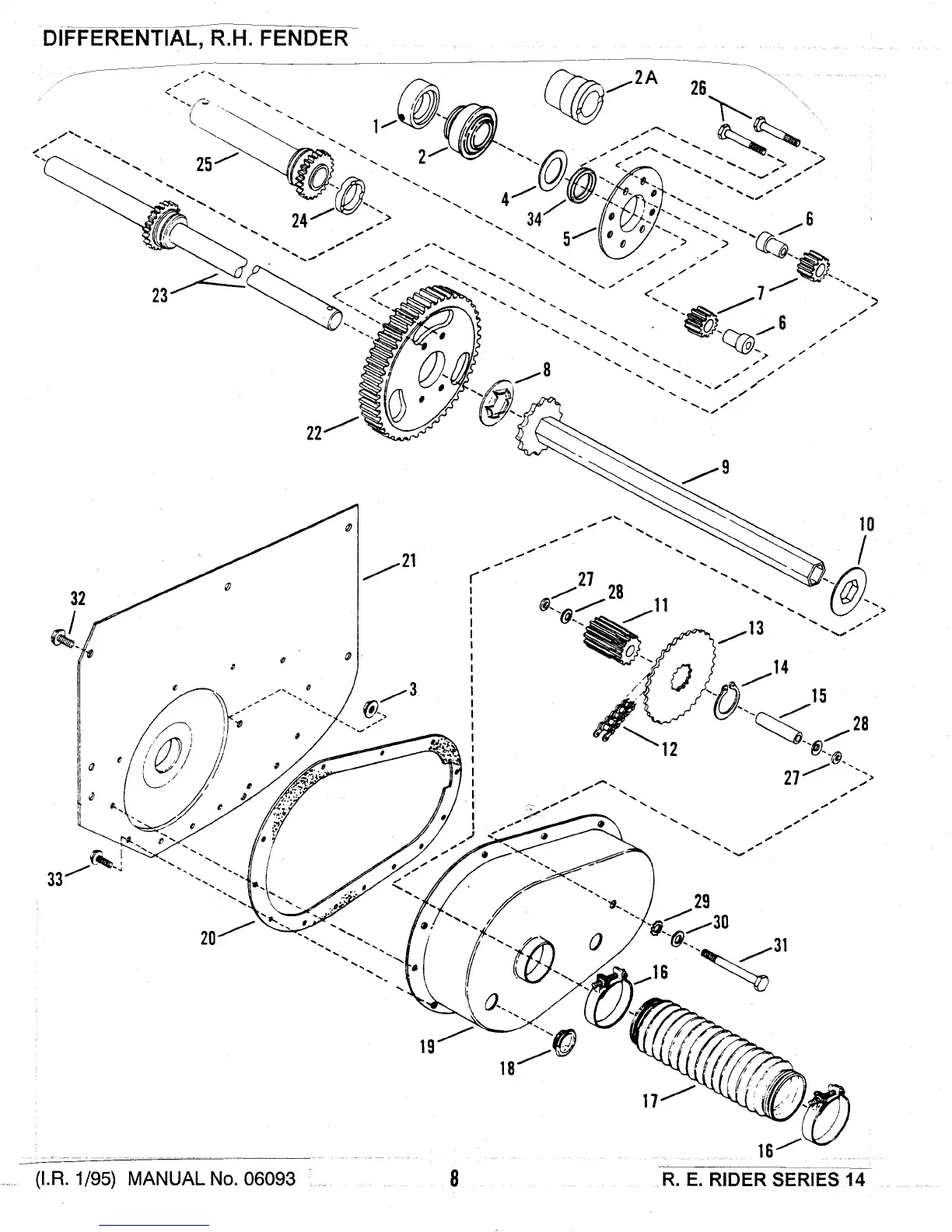
Snapper 250814BE - Differential and Right Hand Fender Assembly

Snapper 250814BE
32 pages
Print Icon
To Next Page IconTo Next Page
To Next Page IconTo Next Page
To Previous Page IconTo Previous Page
To Previous Page IconTo Previous Page
Loading...

Related product manuals