EasyManua.ls Logo

Snapper 300922B - Electrical Systems - 15 HP Kohler

Snapper 300922B
44 pages
Print Icon
To Next Page IconTo Next Page
To Next Page IconTo Next Page
To Previous Page IconTo Previous Page
To Previous Page IconTo Previous Page
Loading...
36
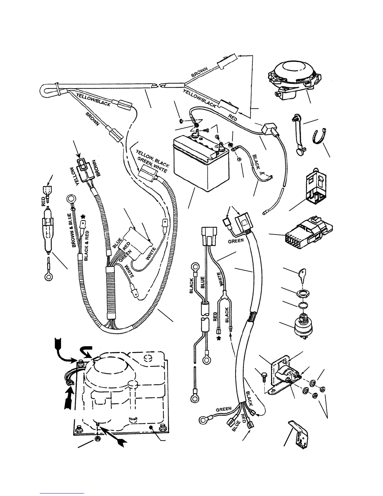
ELECTRICAL SYSTEMS
(For 15 HP KOHLER)
MANUAL No. 06128 R. E. RIDER SERIES 22
M
K
L
J
G
H
M
L
K
L
L
I. BATTERY GROUND
(See Inset, Page 37)
ENGINE
MOUNTING
PLATE
H. ENGINE
GROUND
TO ITEM 5
TO ITEM 27
TO ITEM 4
TO ITEM 16
TO ITEM 8
TO ITEM 11
G. ELECTRONIC CONTROL UNIT
25
27
23
20
24
26
19
26
24
7
I
12
13
14
4
3
6
16
10
9
1
11
TO ITEM 6
(D, E, F)
TO ITEM
6 (A)
5
17
1815
2
21
22
H
8
J. STARTER
TERMINAL

Related product manuals