EasyManua.ls Logo

Snapper 7800849 - Safe Gasoline Handling

Snapper 7800849
24 pages
Print Icon
To Next Page IconTo Next Page
To Next Page IconTo Next Page
To Previous Page IconTo Previous Page
To Previous Page IconTo Previous Page
Loading...
Not for
Reproduction
Manual No.
7106167 22" STEEL DECK WALK BEHIND
SERIES 20
6
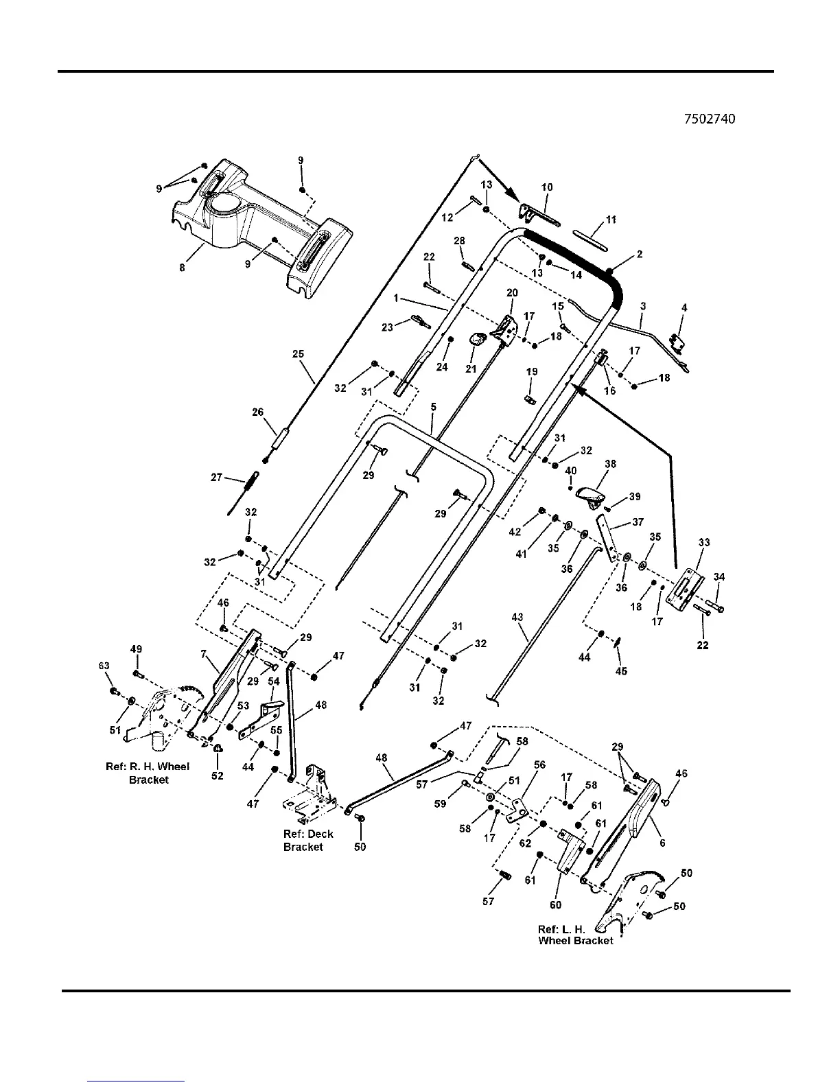
Handle Group

Other manuals for Snapper 7800849

Related product manuals