EasyManua.ls Logo

Sonoff PSF-B04 - 7. Packaging Information

Sonoff PSF-B04
13 pages
Print Icon
To Previous Page IconTo Previous Page
To Previous Page IconTo Previous Page
Loading...
4. Place the module’s power supply (VCC) pin capacitance and other module pin
capacitances, resistors as close as possible to the module pins, and the tracepath should
be short.
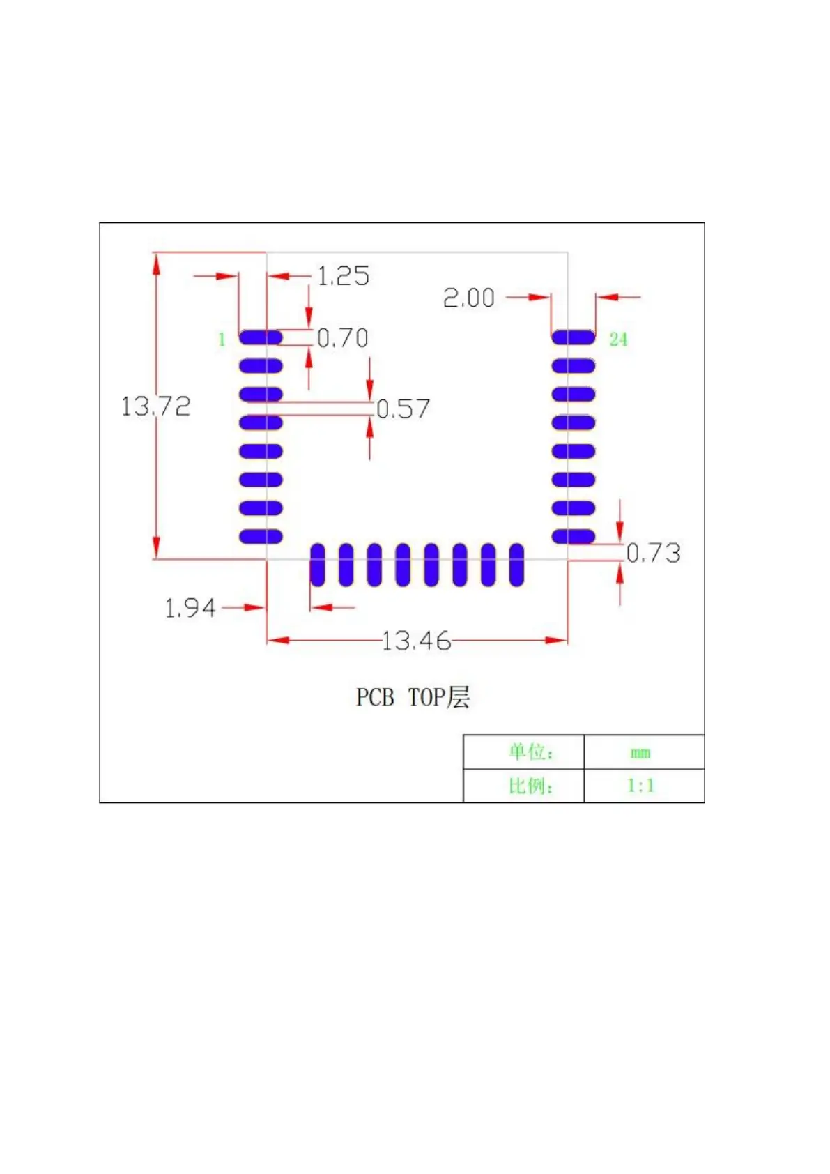
7.Packaging Information
Package size diagram:
Share this:

Related product manuals