EasyManua.ls Logo

Sony 5950DP - Speaker Cords and Connections; Connecting Speaker Terminals

Sony 5950DP
60 pages
Print Icon
To Next Page IconTo Next Page
To Next Page IconTo Next Page
To Previous Page IconTo Previous Page
To Previous Page IconTo Previous Page
Loading...
masterpage:Left
lename[E:\SEM_Janet\DATA_HT-
950DP\J9041386_25497361115950DPUS\2549736111\GB03CON_HT-5950DP-U.fm]
model name1[HT-5950DP]
model name2[HT-6900DP]
model name3[HT
-
9900M]
16
US
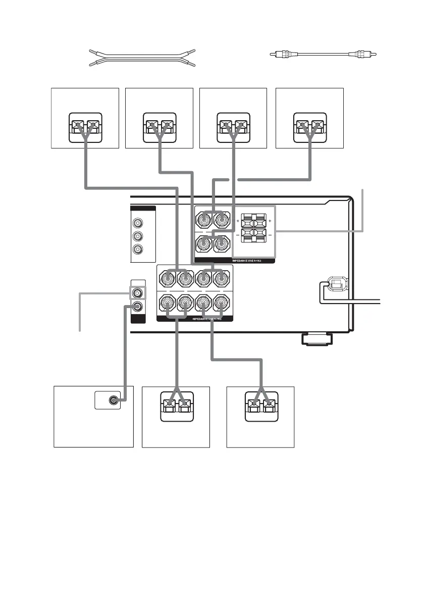
Required cords
A Speaker cords (supplied)
(+)
B Monaural audio cord (supplied)
Black
(–)
* (HT-9900M and HT-6900DP only) If you have an additional front speaker system, connect them to the
SPEAKERS FRONT B terminals. You can select the front speakers you want to use with the SPEAKERS
(OFF/A/B/A+B) button. For details, see “Selecting the speaker system” (page 41).
** (HT-9900M and HT-6900DP only) If you have an additional sub woofer, you can connect it to the other SUB
WOOFER terminal.
FRONT A
CENTER FRONT B
MONITOR
OUT
N
T VIDEO
Y
P
B
/C
B
/B–Y
P
R
/C
R
/R–Y
LR
LR
LR
+ +
SPEAKERS
VOLTAGE SELECTOR
SUB
WOOFER
A
Ee
A
Ee
A
Ee
E
e
A
B
E
e
A
SPEAKERS
FRONT B*
SUB
WOOFER**
Ee
A
SURROUND
SURROUND BACK
+
LR
SPEAKERS
AUDIO
OUT
INPUT
Sub woofer
Center speaker Surround back
speaker
Front speaker
(Left)
Front speaker
(Right)
Surround speaker
(Right)
Surround speaker
(Left)
GB01COV_HT-5950DP-U.book Page 16 Thursday, January 13, 2005 3:28 PM

Table of Contents

Related product manuals