EasyManua.ls Logo

Sony BDP-S500 - Audio Block Diagram

Sony BDP-S500
90 pages
Print Icon
To Next Page IconTo Next Page
To Next Page IconTo Next Page
To Previous Page IconTo Previous Page
To Previous Page IconTo Previous Page
Loading...
BDP-S500
3-3 3-4
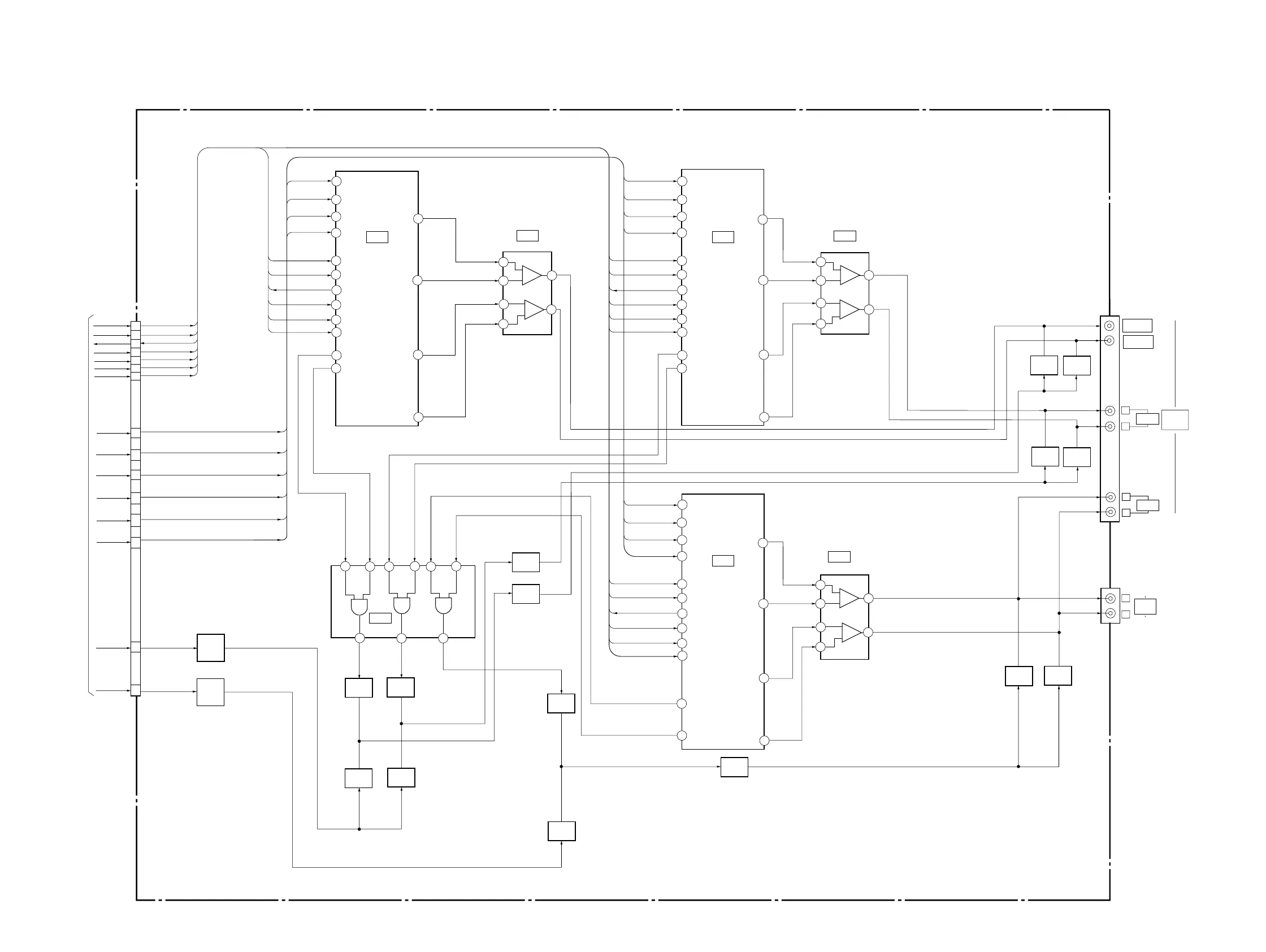
3-2. AUDIO BLOCK DIAGRAM
AU-258 BOARD
(SEE PAGE 4-5)
2
1
27
26
22
21
20
24
18
12
13
14
15
16
23
CN001
Q003
MUTE
DRIVE
Q001
MUTE
DRIVE
Q023
MUTE
Q014
SW
Q017
SW
Q015
SW
Q013
SW
Q009
SW
Q011
SW
Q006
SW
Q008
SW
Q007
SW
Q019
MUTE
Q018
MUTE
Q022
MUTE
Q021
MUTE
Q020
MUTE
IC004
GATE
6
8
5
9
10
4
3
21
2
26
25
6
28
5
4
27
23
AUDIO
DAC
IC007
22
1
3
18
12
13
17
ADATA5_1
ADATA5_0
DATA
LRCK
ALRCK
ALRCK
BICK
ABCLK
ABCLK
MCLK
MCLK
MCLK
DAC_XCS_2
DAC_XCS_1
X-MS
Aout L-
Aout L+
Aout R+
Aout R-
X-RST
MDO
MDI
MC
MUTE
DZFL
DZFR
IC010
AMP
5
1
7
2
3
6
+
+
2
26
25
6
28
5
4
27
23
AUDIO
DAC
IC006
22
3
1
18
12
13
17
DATA
LRCK
BICK
MCLK
X-MS
Aout L-
Aout L+
A out R+
Aout R-
X-RST
MDO
MDI
MC
MUTE
DZFL
DZFR
IC009
AMP
5
1
7
2
3
6
+
+
2
26
25
6
28
5
4
27
23
AUDIO
DAC
IC008
22
1
3
18
12
13
17
LRCK
ALRCK
DATA
ADATA5_2
BICK
ABCLK
MCLK
MCLK
X-MS
Aout L-
Aout L+
Aout R+
Aout R-
X-RST
MDO
MDI
MC
MUTE
DZFL
DZFR
IC011
AMP
5
1
7
2
3
6
+
+
WOOFER
J003
J001
CENTER
R
L
REAR
MCLK
MCLK
DAC_XCS_2
DAC_XCS_2
DAC_XCS_2
DAC_XRST
DAC_XRST
DAC_XRST
DAC_XRST
DAC_XRST
DAC_MDO
DAC_MDO
DAC_MDO
DAC_MDO
DAC_MDO
DAC_MDI
DAC_MDI
DAC_MDI
DAC_MDI
DAC_MDI
DAC_MC
DAC_MC
DAC_MC
DAC_MC
DAC_MC
DAC_XCS_1
DAC_XCS_1
DAC_MUT
DAC_MUT
DAC_MUT
DAC_MUT
DAC_MUT
ADATA 5_0
ADATA 5_0
ALRCK
ALRCK
ADATA 5_2
ADATA 5_2
ADATA 5_1
ADATA 5_1
ABCLK
ABCLK
XMMUTE
05
XAMUTE
R
L
FRONT
5.1CH
OUTPUT
R
L
AUDIO
OUT
MAIN
(SEE PAGE 3-2)

Other manuals for Sony BDP-S500

Related product manuals