EasyManua.ls Logo

Sony CCD-TR315 - Cabinet (L) and Battery Panel Assembly

Sony CCD-TR315
234 pages
Print Icon
To Next Page IconTo Next Page
To Next Page IconTo Next Page
To Previous Page IconTo Previous Page
To Previous Page IconTo Previous Page
Loading...
6-2
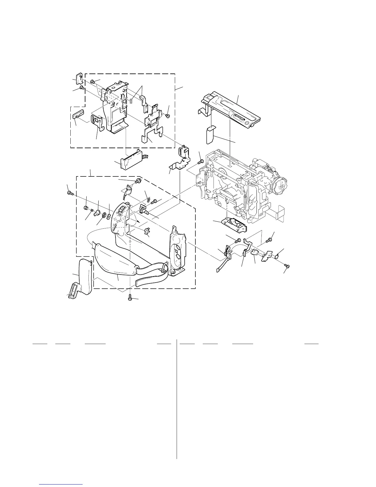
6-1-2. CABINET (L) AND BATTERY PANEL ASSEMBLY
not supplied
not supplied
61
60
62
63
64
65
53
J001
67
66
73
58
S00
3
51
51
57
74
51
52
52
68
52
59
54
J901
69
70
56
71
51
72
55
not supplied
not supplied
not supplied
Ref. No. Part No. Description Remark Ref. No. Part No. Description Remark
51 3-962-826-01 SCREW (2 x 4)
52 3-948-339-61 TAPPING
53 3-679-362-11 SCREW
54 3-713-786-21 SCREW (M2 x 3)
55 3-968-729-61 SCREW (M2 x 3), LOCK ACE, P2
56 3-713-791-51 SCREW (M1.7 x 3.5), TAPPING, P2
57 3-975-522-11 COVER, JACK
58 3-052-815-01 BELT (ES), GRIP
59 3-949-192-01 HOLDER, STAND-BY KNOB
60 3-970-854-01 SPRING, STAND-BY
61 3-979-642-01 SPRING, COMPRESSION
62 3-975-966-01 SHEET METAL (2), SS
63 3-969-081-01 KNOB, STAND-BY
64 3-960-566-01 BUTTON, S/S
65 3-302-492-00 SPRING, COMPRESSION
* 66 3-975-532-01 HOLDER, EL
67 1-475-619-11 SWITCH BLOCK, CONTROL (SS-8500)
68 3-987-717-01 SCREW, TRIPOD
69 3-987-679-01 SHEET METAL (LOWER), STRAP
70 3-975-752-01 LID (BT), CPC
71 X-3948-171-1 PANEL ASSY, BATTERY
(Except TR315:BR/TR416:BR/TRV16:BR)
71 X-3948-461-1 PANEL ASSY, BATTERY
(TR315:BR/TR416:BR/TRV16:BR)
72 3-987-656-01 LID, JACK
73 1-475-617-11 SWITCH BLOCK, CONTROL (FK-8500)
(TR series/TRV16/TRV16PK/TRV36/TRV36PK)
73 1-475-617-21 SWITCH BLOCK, CONTROL (FK-8500)
(TRV43/TRV46/TRV46PK)
74 X-3948-207-1 CABINET (L) ASSY (for TRV series)
74 X-3948-208-1 CABINET (L) ASSY (for TR series)
J001 1-565-276-31 JACK, ULTRA SMALL 1P (LANC)
J901 1-694-384-11 TERMINAL BOARD, BATTERY
S003 1-572-688-11 SWITCH, PUSH (1 KEY) (EJECT)
See page 6-6

Table of Contents

Related product manuals