EasyManua.ls Logo

Sony ccd-vx3 - Page 199

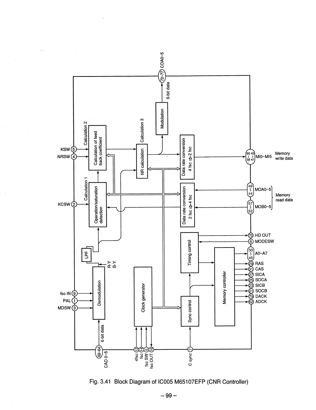
Sony ccd-vx3
302 pages
Print Icon
To Next Page IconTo Next Page
To Next Page IconTo Next Page
To Previous Page IconTo Previous Page
To Previous Page IconTo Previous Page
Loading...
www.freeservicemanuals.info
1/12/2014
Digitized in Heiloo, Holland

Related product manuals