EasyManua.ls Logo

Sony CFD-444L - Page 16

Sony CFD-444L
56 pages
Print Icon
To Next Page IconTo Next Page
To Next Page IconTo Next Page
To Previous Page IconTo Previous Page
To Previous Page IconTo Previous Page
Loading...
CE
OE
WE
t2, 2
DRE SS
8
:ss0R.
cLv
03
0
SERV
O
DA 1A
e21o
f
;ËF
FOK
SUBO
sc 0R
C
RCF
WFCK
GFS
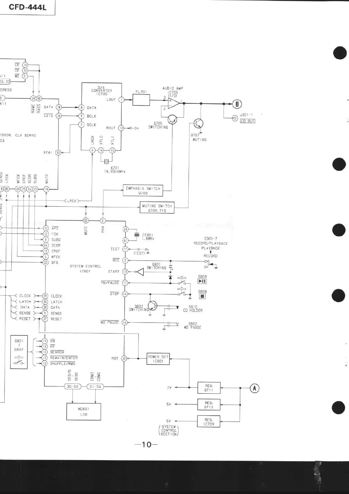
SYSTEM CONTROL
Ic80r
CLOCK
LATCH
DATA
SE
NSE
RESE
T
FF
SEARC H
REMA ] N,/ENTÊR
SHUFFLETÈMs
o-a5
I l. SMHr
-o
'q
(TEST)
''
0B0l
StJITCHING
TEST
START
FE,/PIUSE
SrnF
CLOCK
LATCH
DAT A
SENSE
RESET
MD PAUSE
5V
D/A
CONVERTER
1c705
LOUT
DAT A
BCLK
SCLK
0705
_cH sv/ tlcH NG
x701
16.
9344
N2
MUT
I
SW
I
TCH
8709,71A
s30r-7
RECORD,/PLAYBÂCK
PLAYBACK
I
RE
C ORD
s809
E
s808
E
s8r0
CD HOLDER
s902
MD PAUSE
-10-
/
sYslEM
\
I
C0NTRoL
I
\
sEcT
| 0N/