EasyManua.ls Logo

Sony CFD-460 - Block Diagram

Sony CFD-460
40 pages
Print Icon
To Next Page IconTo Next Page
To Next Page IconTo Next Page
To Previous Page IconTo Previous Page
To Previous Page IconTo Previous Page
Loading...
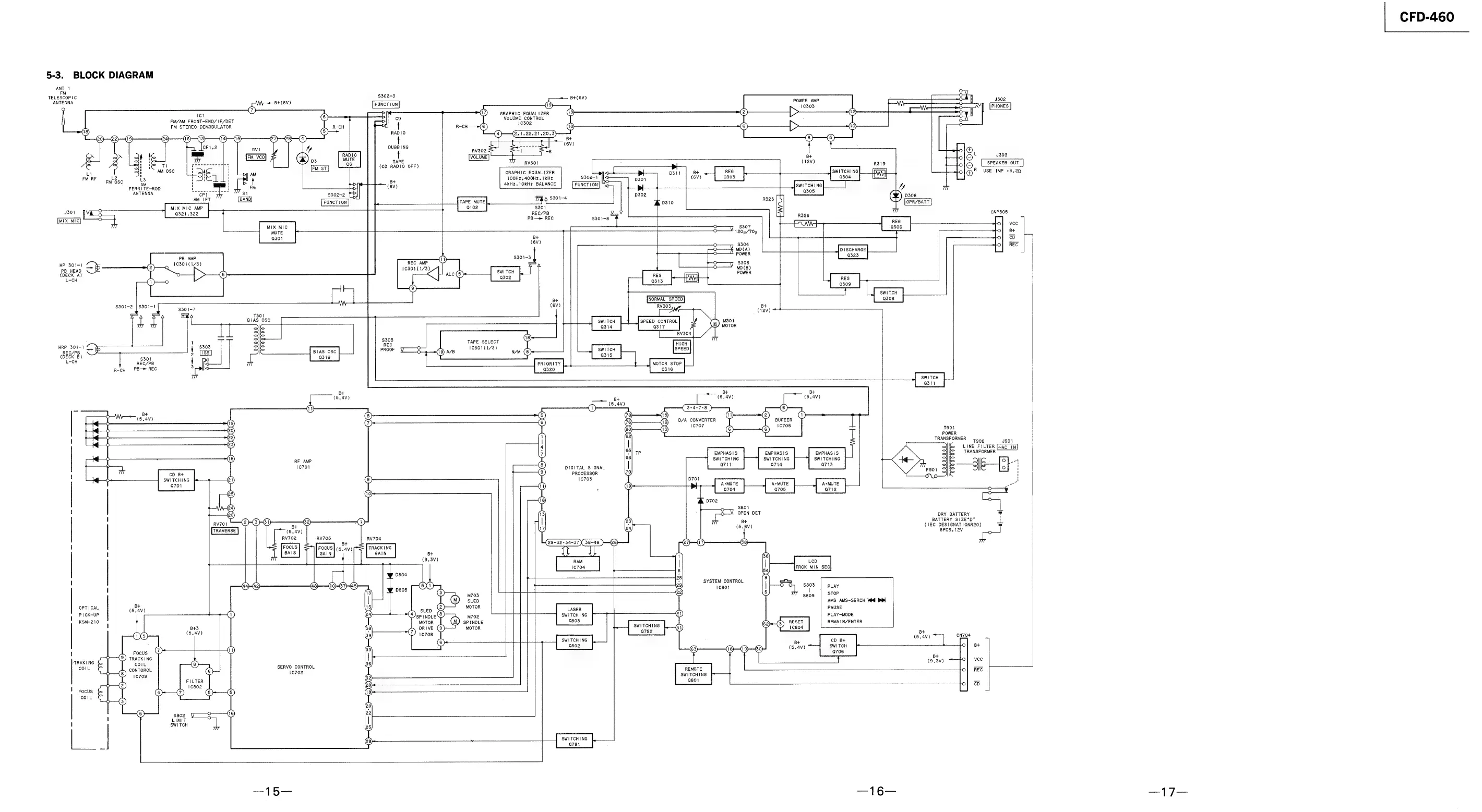
5-3.
BLOCK
DIAGRAM
TELESCOPIC
ANTENNA
ui
ae
i
FM
RF
L3
FM
OSC
AM
FERRI
TE-ROD
ANTENNA
©
J301
rs
S
HP
301-1
4
PB
HEAD
3S:
@)
(DECK
A)
L-CH
(1)
$301-2
|
$301-1
May
i
a
A
HRP
301-1
Zs
Ic}
FM/AM
FRONT-END/1F/0ET
FM
STEREO
DEMODULATOR
MIX
MIC
AMP
Q321,322
PB
AMP
1€301(1/3)
ae
$301-7
~=—-B+(6V)
BAND
MIX
MIC
MUTE
Q301
T301
BIAS
OSC
a
|
(BECK
8)
$30!
L-CH
REC/PB
R-CH
PB—»
REC
7
yh
Bt
or
(8.49)
&
es
He
3
i.
dees
2
|
|
|
CO Bt
SWITCHING
|
Q701
|
I
RV701
|
I
|
I
!
|
!
OPTICAL
B+
5.4V)
j
PICK-UP
|
:
(1)
KSM-210
|
B+3
(1Y5)
(5.4V)
1
FOCUS
@
ai
RAKING
v
TRACK
ING
mae’
&]
Tat
©
Li
CONTOROL
(6)
SS
1C709
FILTER
\
o—(2)
1c802
sce]
FG
_
oP
o—{3)
(8)
ssoz
¥
=
(16)
t
LIMIT
|
SWITCH
5—
BIAS
OSC
PROOF
0319
RF
AMP
1C701
SERVO
CONTROL
1c702
$302-3
[
t
RAD10
t
DUBBING
t
TAPE
(CD
RADIO
OFF)
VVVV
B+
<
(6V)
$302-2
TS
B+
(5,4V)
REC
AMP
RV302
TAPE
MUTE
Q102
RV704
TRACK
ING
GAIN
TAPE
SELECT
1€301(1/3)
B+(6V)
GRAPHIC
EQUALIZER
3
VOLUME
CONTROL
1c302
(4)
2,1.22,21,20.3
4
eee
cae
2
ae
-6
RV301
GRAPHIC
EQUAL!ZER
100HZ,400HZ,
TKHz
$302-1
4kHz,10kHz
BALANCE
BRA
$301-4
$301
REC/PB
PB
—e
REC
$301-8
B+
(6v)
$301-3
SWITCH
Q302
BA
Pa
comazaer
Ta
4
0311
D301
POWER
AMP
r
1€303
D302
R323
B+
(6V)
SWITCH
Q314
SWITCH
Q315
NORMAL
SPEED
RV303,,
MOTOR
STOP
Q316
B+
(5.4V)
DIGITAL
SIGNAL
PROCESSOR
1C703
LASER
SWITCHING
Q803
SWITCHING
Q802
SWITCHING
Q791
ee
@)
6)
ie
SWITCHING
=
Q792
D/A
CONVERTER
(C707
REMOTE
$307
120n/70p
B+
(12V)
M301
MOTOR
Bt
(5.4V)
Bt
(lav)
R326
B+
(5.4)
EMPHASIS
EMPHAS!S
SWITCHING
SW!
TCHING
Q7ii
A»*MUTE
Q704
D702
6
$801
V
6
OPEN
DET
B+
(5.6V)
36
54
SYSTEM
CONTROL
1¢801
SWITCHING
Q801
A*MUTE
Q705
Q714
SWITCHING
SWITCHING
irvv
al:
nd
SWITCHING
Q305
Q323
REG
Q309
A
TAM]
REG
aia
a.
py
DISCHARGE
co
SWITCH
Q308
EMPHAS
|S
Q713
LcD
TRCK
MIN
SEC
oS
O
At
$803
|
$809
G3)
RESET
1C804
B+
(5.4V)
PLAY
STOP
AMS
AMS~SERCH
kd
DD}
PAUSE
PLAY-MODE
REMAIN/ENTER
cD
Bt
<
!
J302
>
he
L
J303
o1®
=n
O
‘S)
SPEAKER
OUT
ma
R
USE
IMP
:3.20
A
(PY
osoe
(5.4V)
CNP308
vec
B+
cp
REC
SWITCH
a3
T901
POWER
TRANSFORMER
905
jee
LINE
FILTER
[=Ac_IN]
TRANSFORMER
—3le2+
aces
DRY
BATTERY
BATTERY
SIZE*D"
(LEC
DESIGNATIONR20)
8PCS,12V
SWITCH
Q706
1
6—
B+
B+
(9.3V)
vec
REC
Shes
ron
=
1
7
pam
CFD-460

Related product manuals