EasyManua.ls Logo

Sony D-5 - Page 19

Sony D-5
46 pages
Print Icon
To Next Page IconTo Next Page
To Next Page IconTo Next Page
To Previous Page IconTo Previous Page
To Previous Page IconTo Previous Page
Loading...
D-5/D-50
D-5/D-50
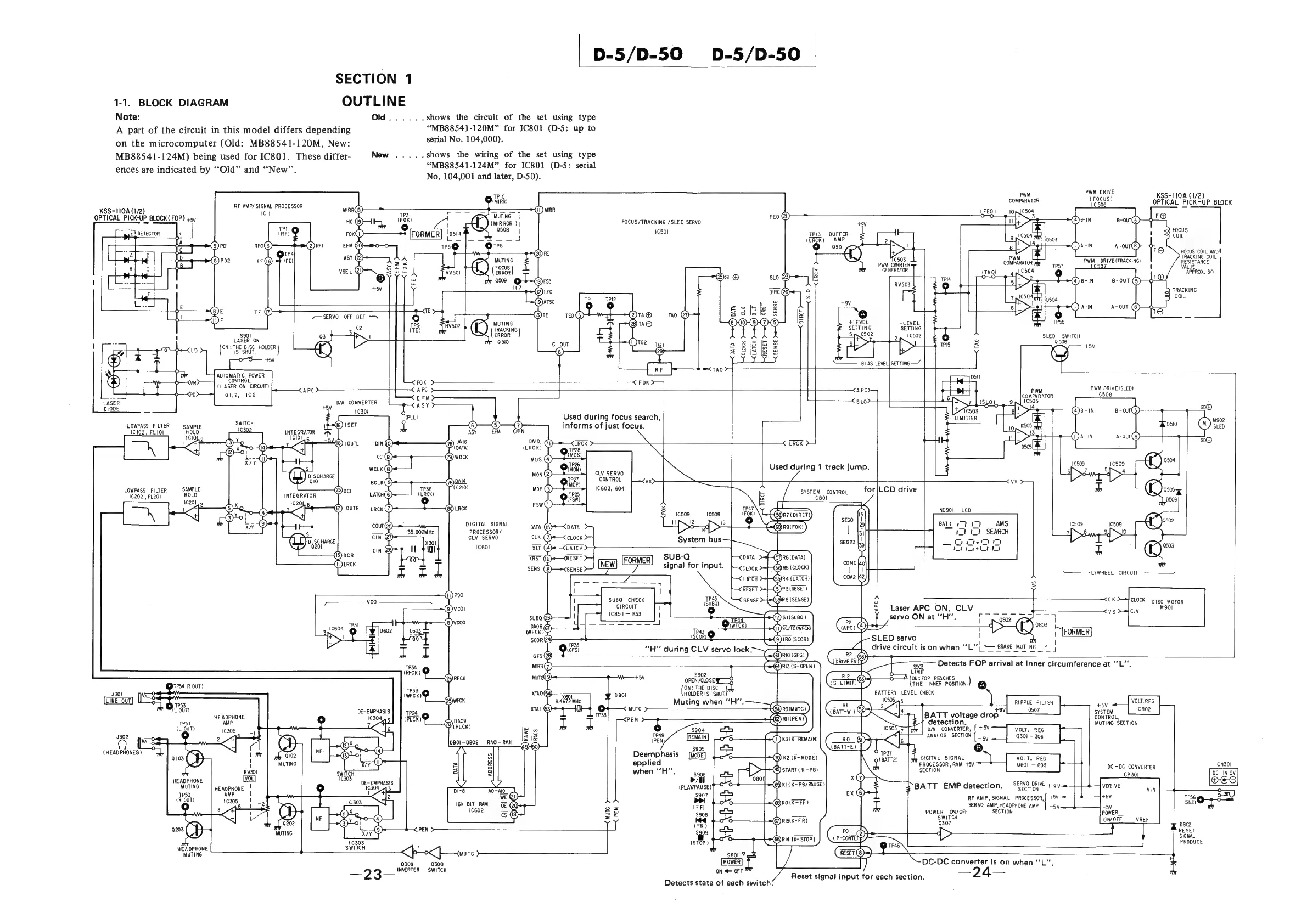
SECTION
1
OUTLINE
1-1.
Note:
A
part
of
the
circuit
in
this
model
differs
depending
on
the
microcomputer
(Old:
MB88541-120M,
New:
MB88541-124M)
being
used
for
IC801.
These
differ-
ences
are
indicated
by
‘“‘Old”’
and
“‘New”’.
BLOCK
DIAGRAM
shows
the
circuit
of
the
set
using
type
“MB88541-120M”
for
IC801
(D-5:
up
to
serial
No.
104,000).
New
.....shows
the
wiring
of
the
set
using
type
“MB88541-124M”
for
IC801
(D-5:
serial
No.
104,001
and
later,
D-50).
RF
AMP/
SIGNAL
PROCESSOR
KSS-II0A
(1/2)
ace
OPTICAL
PICK-UP
BLOCK(
FOP)
+sy
MUTING
|
(MIRROR
}
|
(FEQ)
o—-O
FeO
@l)
FOCUS
/TRACKING
/SLED
SERVO
+9V
pat!
DETECTOR
1c
TPIS,
BUFFER
a
(LRCK)
2
°
Q50!
ia
!
8
PWM
CARRIER:
x
GENERATOR
sto
@)
be
TPI4
y
RV503
e
DIRC
°
ear:
-
+9V
Ce
E
@
a
+LEVEL
-LEVEL
A)
eae
y
site
|
ht
$901
Q3
|
(
FRRoR
Spicso2
1502
A
LASER
ON
Q510
2
[=
ON:
THE
DISC
HOLDER
i)
}
8
>!
ws
=
1S
SHUT.
Lh
©)
ee
b
O
+5V
\———
BIAS
LEVEL]
SETTING
—%
MATIC
POWER
=
a
AUTOMATI
Pa
i
ch
||
=
oe
a
ere
‘ape
Apc
H
Ke
ees
D/A
CONVERTER
rae
SLO
ieee
He]
(SLO,
9
Int
1650
1¢301
J
.
Ts
>
(PLL)
Used
during
focus
search,
[2
LOWPASS
FILTER
SAMPLE
eae
6)—)
informs
of
just
focus.
1C102,
FLIO!
HOLD
INTEGRATOR
7p
>
Icio
Oe
}
ICO
g
@
DAIO.
G7)
Tae
CRCK
|
Ss
({LRCK)
TP28
505
a
(12-0
d
MOS)
CONS
|
Used
during
1
track
jump.
@)
CLV
SERVO
LOWPASS
FILTER
SAMPLE
4
1€603,
604
system
contro.
for
|LCD
drive
1C202
,
FL201
LO
C201,»
°
4
Ge
(80)
LRCK
x
TP47
Gyto!”
=
icso9
1509
(FOK)
DIGITAL
SIGNAL
u
>s
J
>=
Y
35.002MHz
PROCESSOR/
14
sf
CLV
SERVO
System
bus
it]
1C60I
53
SUB-O
DATA
x
ceed
ii
signal
for
input.
cLocK
HG
TATCH
r<
oO
RESET
re
P3
(RESET)
-————-
vco
oa
SUBQ
CHECK
oe)
SENSE
ORS
(SENSE)
=
()
;
CIRCUIT
!
2
=
Laser
APC
ON,
CLV
iar
ae
1p
oe
N
servo
ON
at
‘"H”.
Tp
o@c
TP3I
OF
WFCK)
GG
1C604
Fieve
1603:
Tite
ie
ee
i
SCOR)
we)
SLED
servo
>
PWM
DRIVE
COMPARATOR
(Focus)
OPTICAL
PICK-UP
BLOCK
10
{C504
J
Ge.
{FO
FOCUS
COIL
AND!
TRACKING
COIL
RESISTANCE
VALUE
:
APPROX.
8.
a
TRACKING
>
COIL
ro
TO
SLED
SWITCH
Q506
+5V
YY
PWM
DRIVE
(SLEO)
1¢508
PWM
COMPARATOR
505
M902
SLED
VS
Ic509
>$
1C509
9
>
10.
qd
FLYWHEEL
CIRCUIT
ae
——
ey
=
9802
I
i
)
FORMER
|
CLOCK
IS
MOTOR
cLv
A
Q309
Q308
ON
=
OFF
DC-DC
converter
is
on
when
"L"’.
'
QQ
4
a
|
1P35
:
ouit
ij
ayer
Ey
eee
E
aT
“H”
during
CLV
servo
lock.
Canoes)
oa
drive
circuit
ison
when
“L',
——
BRAKE
MUTING
—~
=
eure
TP34
MIRR7)
Co
G)RI3
(S-OPEN)
cRVERS
=
sag
Detects
FOP
arrival
at
inner
circumference
at
“’L”.
(RFCK)
&
$902
Nas
=
L<
d
LIMIT
(26)RF
CK
muTa9)
+5V
OPEN
CLOSEW—©
—fl2_
63)
of
(are
REACHES
}
OrPs4iR
our)
DaTHe
wiser
(S=LIMIT)
7)
THE
INNER
POSITION.)
@
30!
3
rex
x14064)-—
D801
(rowers
SHUT,
BATTERY
LEVEL
CHECK
LINE
OUT
@5)WFCK
&
er
Mie
Muting
when
“H”.
Ti
ee
RIPPLE
FILTER
ate
VOLT.
REG
ML
OUT)
DE-EMPHASIS
XTAl
0
MUTG
cS
+9V
Q507
YSTEM
1C802
HE
ADPHONE
S
1304.45
pexi@
Thee
PEN
a
o,
BATT
voltage
drop
CONTROL,
TP5I
AMP
(0)
a
I:
detection.
MUTING
SECTION
{L
gut)
:
$904
iar
|
OVA
CONVERTER,
i
VOLT.
REG
TP49
ANALO!
Q301
~
ae,
ms
GE
<i
‘Gece
(HEADPHONES)
Deemphasis
pelts
==.
eAT
EN
©
1p37
+
‘f
MODE
K2
(K-
MODE)
(BATT2)
DIGITAL
SIGNAL
VOLT.
REG
applied...
Fee
pa
PROCESSOR
,
RAM
+5V
0601
603
DC-DC
CONVERTER
swnen
when
“H".
Sac
START
(
K
-PB)
SECTION
oo
HE AD
PHONE
C305
e-EMPHASIS
m/l
—_—_
.
MUTING
ic304
43
mE
(PLAWPAUSE)
HUCK
SPBCPAUSE
|
BATT
EMP
detection.
SE&¥9
ORNE
gy
To
|
Pour)
a
a
55
F
RF
AMP,
SIGNAL
PROCESSoR,|
+5V
7
lek
BIT
RAM
a
(FFD
68)
KO(KFF
as
SERVO
AMP,HEADPHONE
AMP
|
—5y
eae
1c602
Ba
POWER
ON/OFF
SECTION
Qo
-G)
ze
ree
raat
SWITCH
0
ie
RIS(K
0307
iad)
?
o
—>
Pies
see)
RI4
(K-
STOP)
y
Benes
PRODUCE
HEADPHONE
i,
MUTING
@))
ac
7"
INVERTER
SWITCH
.
24
—?
3—-
2
Reset
signal
input
for
each
section.
Detects
state
of
each
switch:

Related product manuals