EasyManua.ls Logo

Sony D-5 - Page 38

Sony D-5
46 pages
Print Icon
To Next Page IconTo Next Page
To Next Page IconTo Next Page
To Previous Page IconTo Previous Page
To Previous Page IconTo Previous Page
Loading...
D-5/D-50
D-5/D-50
SECTION
5
EXPLODED
VIEWS
AND
PARTS
LIST
®
Semiconductor
Lead
Layouts
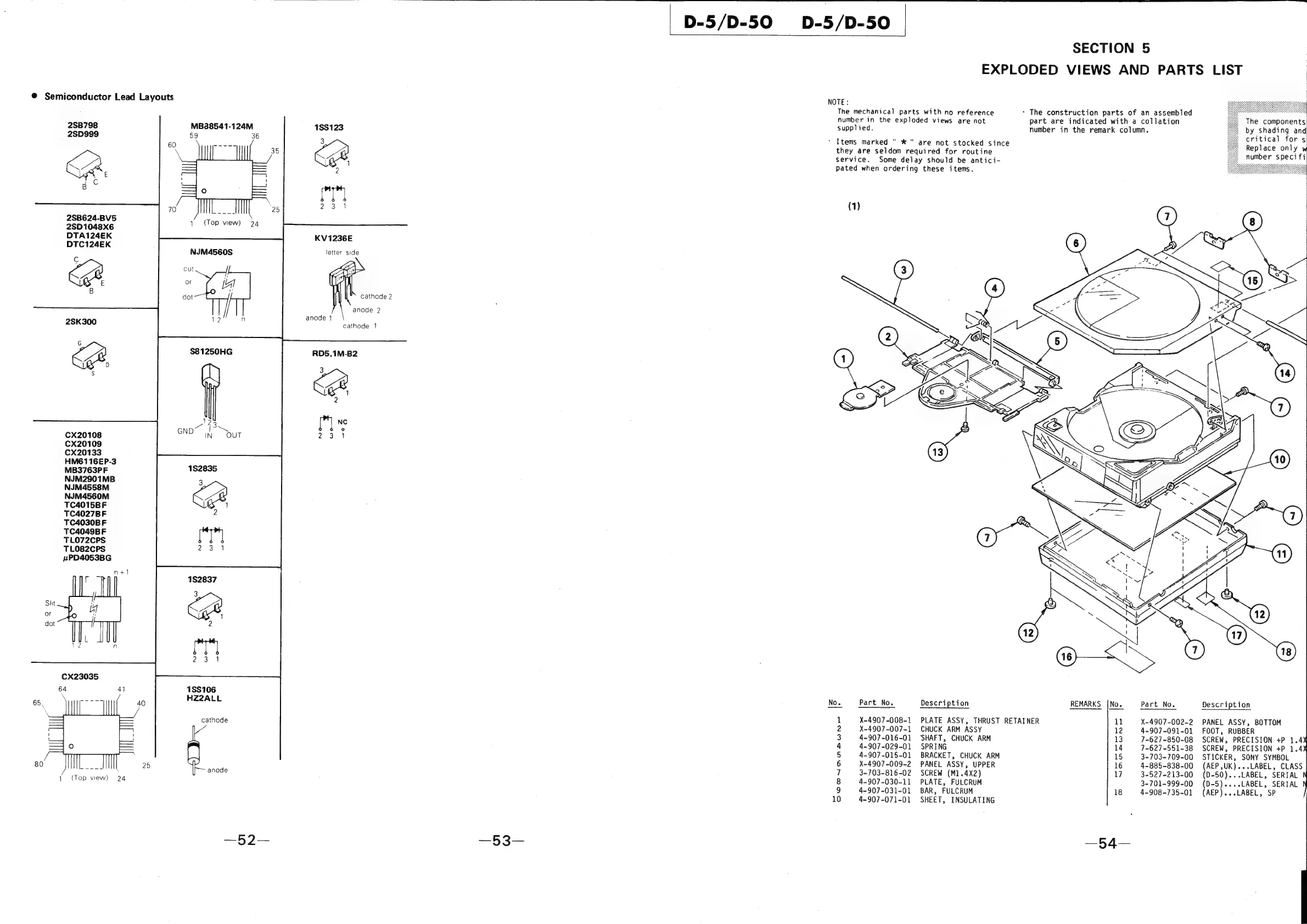
NOTE:
.
The
mechanical
parts
with
no
reference
*
The
construction
parts
of
an
assembled
number
in
the
exploded
views
are
not
part
are
indicated
with
a
collation
The
components
2SB798
MB88541-124M
18S123
supplied.
number
in
the
remark
column.
ene
2SD999
59
36
3
*
Items
marked
"
*"
are
not
stocked
since
Replace
only
5
ke
they
are
seldom
required
for
routine
number
specifi
Py
service.
Some
delay
should
be
antici-
j
.
1
pated
when
ordering
these
items.
231
(1)
2SB624-BV5
2SD1048X6
DTA124EK
DTC124EK
(Top
view)
24
KV1236E
letter
side
NJM4560S
cathode
2
anode
2
anode
1
cathode
1
RDS.1M-B2
nN
w
CX20108
CX20109
CX20133
HM6116EP-3
MB3763PF
NJM2901MB
NJM4558M
NJM4560M
TC4015BF
TC4027BF
TC4030BF
TC4049BF
TLO72CPS
TLO82CPS
uPD4053BG
CX23035
64
4)
1SS106
p
,
HZ2ALL
No.
Part
No.
Description
REMARKS
|No.
Part
No.
Description
eaihodes
1
X-4907-008-1
PLATE
ASSY,
THRUST
RETAINER
11
X-4907-002-2
PANEL
ASSY,
BOTTOM
2
X-4907-007-1
CHUCK
ARM
ASSY
12
4-907-091-01
FOOT,
RUBBER
3
4~-907-016-01
‘SHAFT,
CHUCK
ARM
13
7-627-850-08
SCREW,
PRECISION
+P
1.4%
4
4-907-029-01
SPRING
14
7-627-551-38
SCREW,
PRECISION
+P
1.4%
5
4-907-015-01
BRACKET,
CHUCK
ARM
15
3-703-709-00
STICKER,
SONY
SYMBOL
6
X-4907-009-2
PANEL
ASSY,
UPPER
16
4-885-838-00
(AEP,UK)...LABEL,
CLASS
r
anode
7
3-703-816-02
SCREW
(M1.4X2)
17
3-527-213-00
(D-50)...LABEL,
SERIAL
1
(Top
view)
24
8
4-907-030-11
PLATE,
FULCRUM
3-701-999-00
(D-5)....LABEL,
SERIAL
9
4-907-031-01
BAR,
FULCRUM
18
4-908-735-01
(AEP)...LABEL,
SP
10
4-907-071-01
SHEET,
INSULATING
—52—
—53—
—54—

Related product manuals