EasyManua.ls Logo

Sony D-NE10 - Page 22

Sony D-NE10
36 pages
Print Icon
To Next Page IconTo Next Page
To Next Page IconTo Next Page
To Previous Page IconTo Previous Page
To Previous Page IconTo Previous Page
Loading...
2222
D-NE10
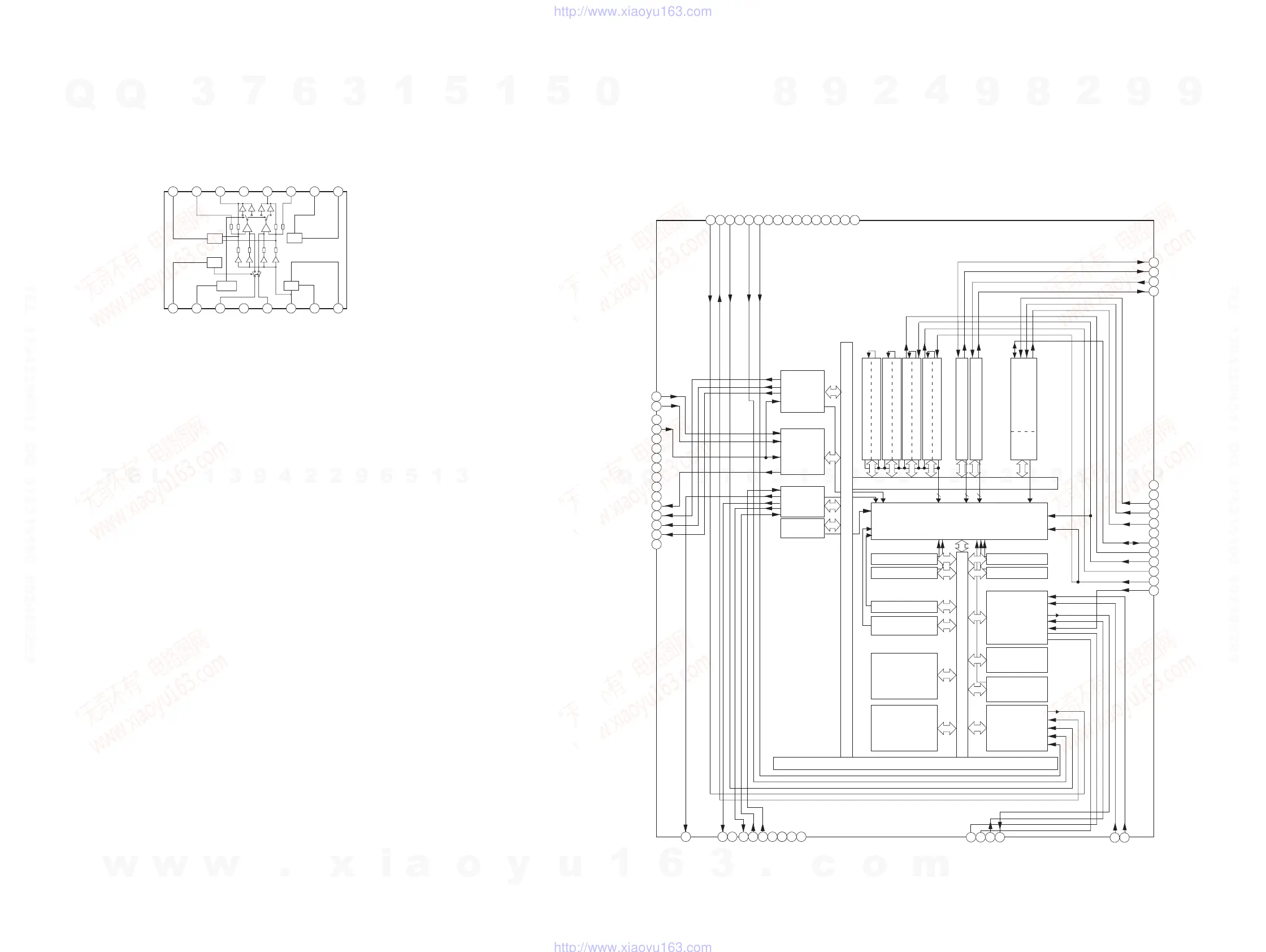
• IC Block Diagrams
IC301 AN17020B-E1 IC702 CXR170160-207R
+- +-
RF2
14 1316 15 12 11 10 9
3 4 5 6 7 821
BEEP
MUTE
RF1
HP/Line
SW
BEEP
GA-R
ROUT
GND
LOUT
GA-L
VCC2
VCC2
MUTE
MSW
R-IN
GND
L-IN
HVCC1
VREF
VCC1
ARM77TDMI
CPU CORE
VIRTUAL ENGINE
CORE
HUFFMAN HW
MAGIC GATE
CORE
CLOCK GENERATOR/
SYSTEM CONTROLLER
DMAC (CH0)
DMAC (CH1)
DMAC (CH2)
WATCHDOG TIMER
PRESCALLER/
TIME BASETIMER
RAM
160K BYTES
RAM
512K BYTES
EEPROM SERIAL
INTERFACE
CD-ROM
INTERFACE
DAC
INTERFACE
DMAC (CH3)
SERIAL INTERFACE
(CH0)
UART (CH0)
UART (CH1)
RAM
2
8
2
NTRST
TDO
TMS
VDIO3
TDI
TCK
TEST0
DVSS1
DVDD3
TEST2
TEST1
TRST(TEST4)
TEST3
XOUT(TEST5)
TACK(TEST6)
VDIO2
LRCK
BCK
VDIOCD0
PCMD
DVDD4
TAPTDO
SCANEN
DCDD0
DVSS0
DVIO0
VDIOCD1
PF4/XRDE
P13/BCKO
P12/LRCKO
P10/PCMDO
EVA
DVSS2
DVDD2
PC3/SCS0
PC2/SI0
PC1/SO0
VDIOCD2
PC0/SCK0
PF3/T3
PF2/EC2/INT4
PF1/T1
PF0/EC0/INT3
NRST
KCS
VDIO1
KDO
KDI
KRB
DVDD1
DVSS3
AVDPLL
AVSPLL
AVSSOSC
AVDMO
EXTAL
XTAL
XIN
OSCSEL
KCLK
INTERRUPT CONTROLLER
8BIT TIMER (CH7)
8BIT TIMER (CH6)
8BIT TIMER (CH5)
8BIT TIMER (CH4)
8BIT TIME
8BIT TIMER/COUNTER (CH2)
8BIT TIMER (CH1)
8BIT TIMER/COUNTER (CH0)
17 18 19 20 21 22 23 24 25 26
27 28 29
30
31 32
42
41
40
39
38
37
36
35
34
33
44
43
PE3/RxD148
PE2/TxD147
PE1/RxD046
PE0/TxD045
1
2
3
4
5
6
7
8
9
10
11
12
13
14
15
16
64 63 62 61 60 59 58 57 56 55 5354 52 51 50 49
w
w
w
.
x
i
a
o
y
u
1
6
3
.
c
o
m
Q
Q
3
7
6
3
1
5
1
5
0
9
9
2
8
9
4
2
9
8
T
E
L
1
3
9
4
2
2
9
6
5
1
3
9
9
2
8
9
4
2
9
8
0
5
1
5
1
3
6
7
3
Q
Q
TEL 13942296513 QQ 376315150 892498299
TEL 13942296513 QQ 376315150 892498299
http://www.xiaoyu163.com
http://www.xiaoyu163.com