EasyManua.ls Logo

Sony DFP-D3000 - Settings for Using DFP-D3000 as DFP-D2000; Conditions; Connections and Settings When Connecting to the Output of the Existing System

Sony DFP-D3000
100 pages
Print Icon
To Next Page IconTo Next Page
To Next Page IconTo Next Page
To Previous Page IconTo Previous Page
To Previous Page IconTo Previous Page
Loading...
9-6
DFP-3000
9.4 Settings for using DFP-D3000 as DFP-D2000
The DFP-D3000 operations must be set appropriately using the setup software.
9.4.1 Conditions
When the DFP-D3000 has been added to the existing cinema processor master, do not turn off the
power of the DFP-D3000 while running the film (including film which does not record SDDS).
No sounds will be output including the existing system if turned OFF.
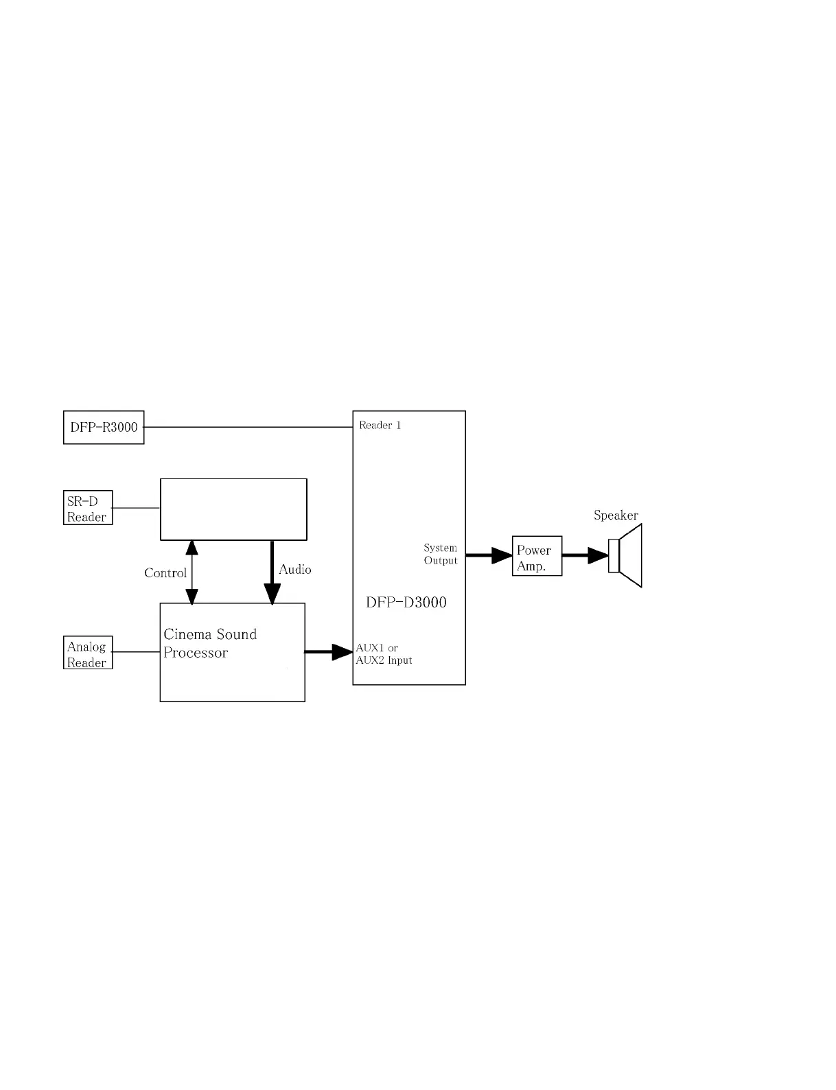
9.4.2 Connections and Settings when Connecting the Output of an Existing System
1. Connecting the system
Input signals from an existing system to the AUX1 input or AUX2 input for the audio system.
At the same time, connect the theater amplifier to SYSTEM OUT. Also connect the SDDS READER
(DFP-D3000) to the DFP-D3000.
Automation connection is required if changeover is to be performed or if switching to other digital
formats using the DFP-D3000. The connections are as follows.
Dolby Digital Sound
Processor (Dolby
Laboratories, Inc
DA-20, DA-10)
(Dolby Laboratories, Inc.
CP-65 etc. )

Table of Contents

Related product manuals