EasyManua.ls Logo

Sony FD-40E - Circuit Boards Location

Sony FD-40E
24 pages
Print Icon
To Next Page IconTo Next Page
To Next Page IconTo Next Page
To Previous Page IconTo Previous Page
To Previous Page IconTo Previous Page
Loading...
FD-40E
FD-40E
C25!
AUDIO
AMP
Qgi2
o
VERTICAL.
SYNC
(3)
“SEPARATOR
(1)
1c910
HORIZONTAL
.
.
C1)
SYNC
DRIVE
ICSI
MUTING
MUTE.
DRIVE
a914
Q313
J90t
Fo
5—U
}
[EanHOnE)
VIDEO
AMP
SYNC
SEPARATOR
0310
039i!
;
VIDEO
()
CF251
Lae
Fog
Dor
0451
MUTING
VIDEO
AMP
VIDEO
AMP
VIDEO
OUT
o
$P90i
301
Q302,303
Q401
—O
=
SPEAKER
VERTICAL
+48V
BLANKING
9402
LeRv4ol
;
0883
SPOT
KILLER
y
0859,
860
7801
_FeT
poe
ee
+48V
\
fg
Sl
43
p4o2zt.
S
}
t
+51V
=H
I
pest,
SNS
|
oP
+91V
tS
|
0804
hy)
|
Si
t
I
a
Ge
ee
en
4
Rv
802
0803
CONVERTER
RV852
FOCUS
DAMPER
[BRT]
oe
gr
ADJ.
i
$601
on,
[POWER]
+
6V—-——
-
+——
NS
OFF
cNéO!
a
(oC
NY)
F601
'
PROTECTOR
Q6II-
613
+
4.8V
t
a
T
RECHAGEABLE
t
BATTERY
1
rf
ot
+
BP-I6H
ahr
“oR
BATTERY
SIZE_C
t
(IEC
DESIGNATION
LRI4)
4PCS
,6V
RV603
OUTY
MAX
ADJ.
+17V<
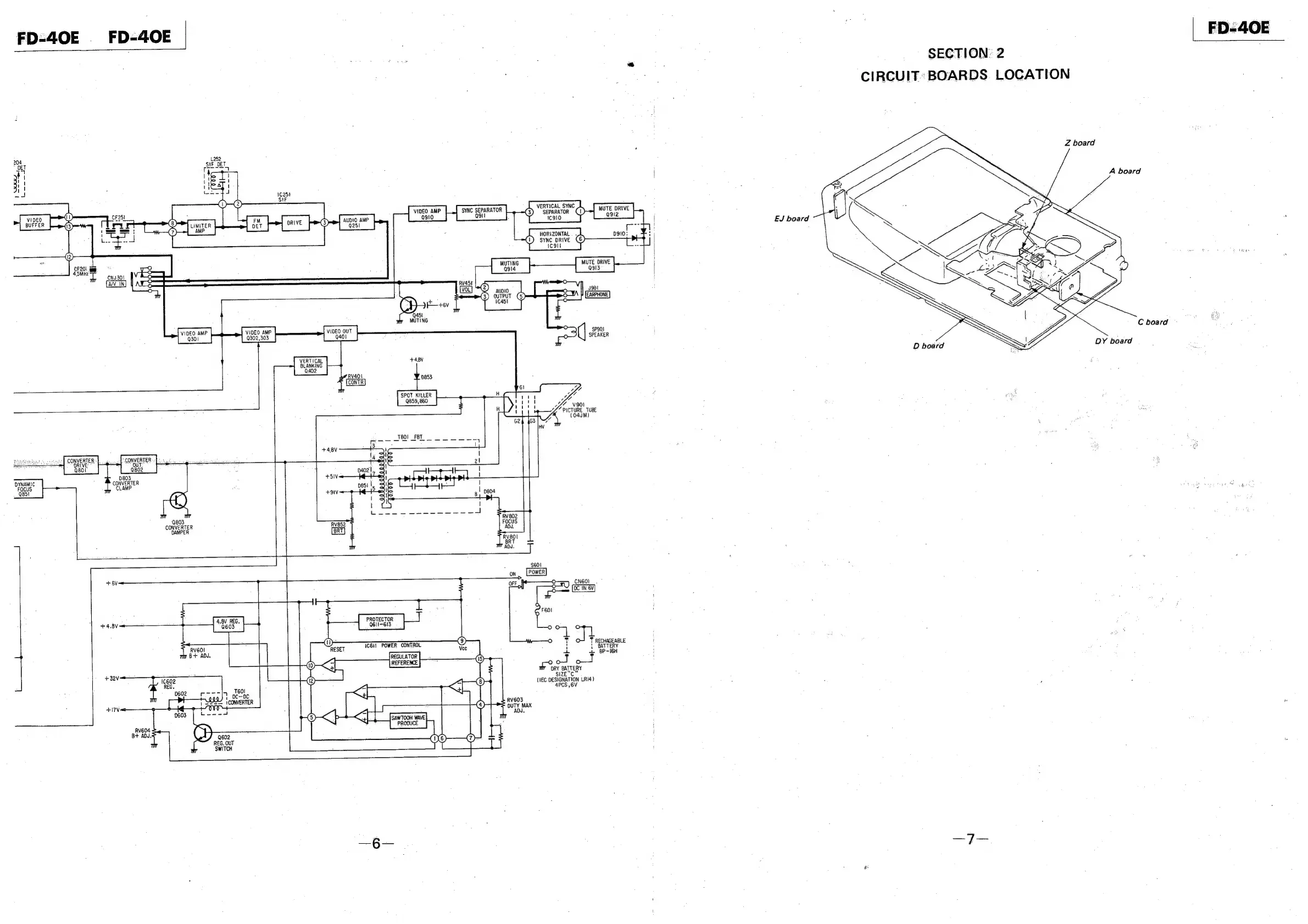
FD-40E
SECTION:
2
CIRCUIT:
BOARDS
LOCATION
Z
board
A
board
EJ
board
C
board

Related product manuals