EasyManua.ls Logo

Sony FD Trinitron KV-32LS35E - Page 31

Sony FD Trinitron KV-32LS35E
52 pages
Print Icon
To Next Page IconTo Next Page
To Next Page IconTo Next Page
To Previous Page IconTo Previous Page
To Previous Page IconTo Previous Page
Loading...
42 43 44
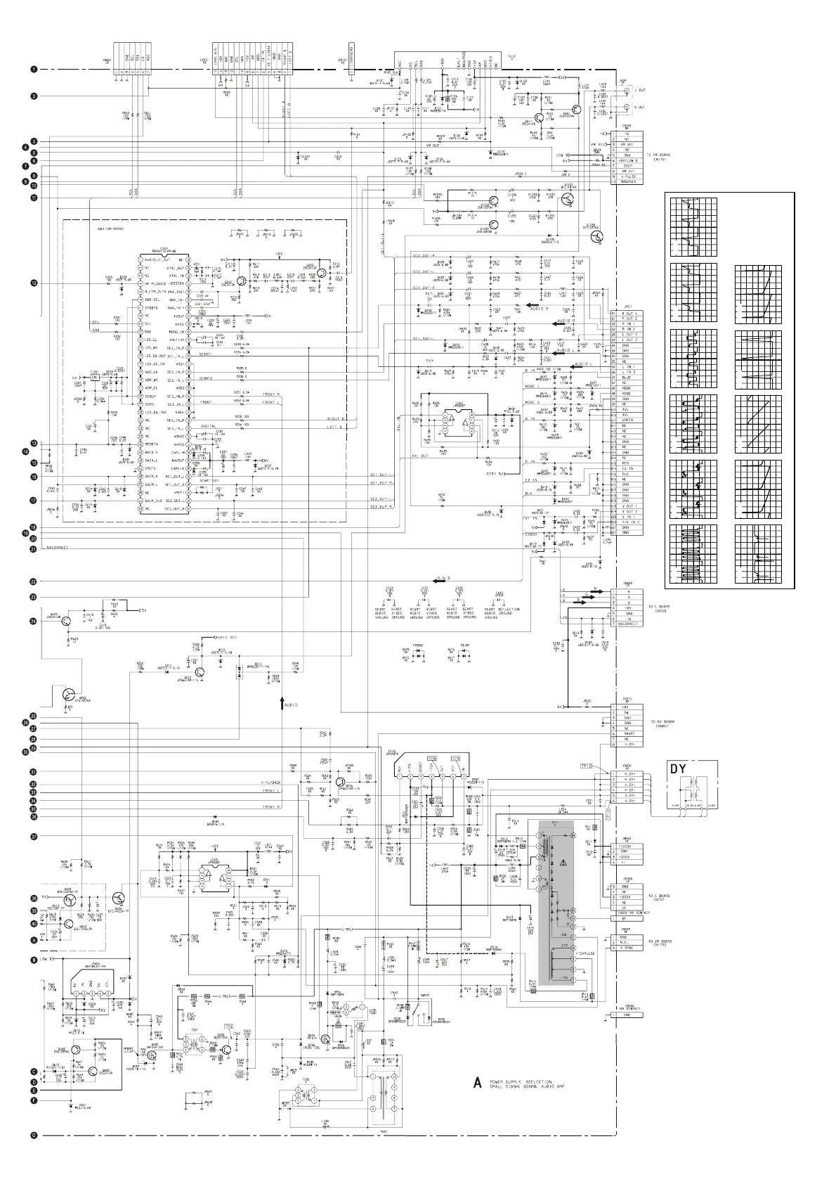
A [ POWER SUPPLY, DEFLECTION, AUDIO AMPLIFIER (Page 2/2) ]
A Board Waveforms
1.83 Vp-p (V)
20us/div
TP7
20us/div
1.88 Vp-p (H)
TP1
5ms/div
TP8
488 mVp-p (V)
20us/div
1.86 Vp-p (H)
TP3
20us/div
1.84 Vp-p (H)
TP2
20us/div
6.0 Vp-p (H)
TP4
20us/div
5.4 Vp-p (H)
TP5
20us/div
TP6
16.8 Vp-p (H)
5ms/div
50.8 Vp-p (V)
TP11
5ms/div
49.8 Vp-p (V)
TP9
20us/div
TP10
1.06 kVp-p (H)

Related product manuals