EasyManua.ls Logo

Sony HT-DDW660 - Page 9

Sony HT-DDW660
36 pages
Print Icon
To Next Page IconTo Next Page
To Next Page IconTo Next Page
To Previous Page IconTo Previous Page
To Previous Page IconTo Previous Page
Loading...
*HWWLQJ6WDUWHG
PDVWHUSDJH5LJKW
OHQDPH>'?'DWDB6(0?'DWDB675
'
':?-B'':8??'':8?*%&21B+
7
'':8IP@
9
GB
PRGHOQDPH>+7'':@
>@
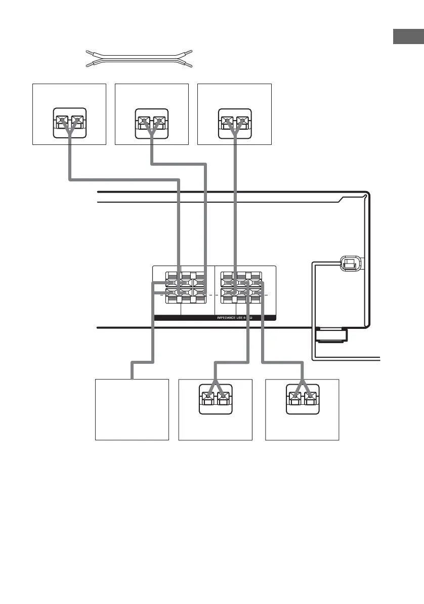
Required cord
A
6SHDNHUFRUGVVXSSOLHG

±
SPEAKERS
RL
RL
+ +
CENTER
SURROUND
SUB
WOOFER
FRONT
RL
RL
+ +
Ee
A
Ee
A
E
e
A
E
e
A
Ee
A
6XUURXQGVSHDNHU
5LJKW
6XUURXQGVSHDNHU
/HIW
&HQWHUVSHDNHU
6XEZRRIHU )URQWVSHDNHU
/HIW
)URQWVSHDNHU
5LJKW
*%&29B+7'':8ERRN3DJH7KXUVGD\-DQXDU\$0

Other manuals for Sony HT-DDW660

Related product manuals